Chốt trong Logic số
Bài viết này giới thiệu chốt như là thành phần bộ nhớ cơ bản trong logic kỹ thuật số, giải thích cấu trúc và hoạt động của chúng.
Chốt (Latch) là một mạch kỹ thuật số chuyển đổi tín hiệu đầu ra theo tín hiệu đầu vào ngay lập tức. Để triển khai chốt, chúng ta sử dụng các cổng logic khác nhau. Trong bài viết này, chúng ta sẽ tìm hiểu định nghĩa về chốt, các loại chốt như SR, SR có cổng, D, D có cổng, JK và T cùng bảng chân lý và sơ đồ mạch, ưu và nhược điểm của chốt.
Chốt là gì?
Chốt là mạch kỹ thuật số lưu trữ một bit thông tin duy nhất và giữ nguyên giá trị của nó cho đến khi được cập nhật bởi tín hiệu đầu vào mới. Chúng được sử dụng trong các hệ thống kỹ thuật số như các thành phần lưu trữ tạm thời để lưu trữ thông tin nhị phân. Chốt có thể được triển khai bằng nhiều cổng logic kỹ thuật số khác nhau, chẳng hạn như cổng AND , OR , NOT, NAND và NOR.
Chốt được sử dụng rộng rãi trong các hệ thống kỹ thuật số cho nhiều ứng dụng khác nhau, bao gồm lưu trữ dữ liệu, mạch điều khiển và mạch lật. Chúng thường được sử dụng kết hợp với các mạch kỹ thuật số khác để triển khai các mạch tuần tự , chẳng hạn như máy trạng thái và các phần tử bộ nhớ.
Định nghĩa chốt
Chốt (latches) là các thành phần lưu trữ cơ bản hoạt động với các mức tín hiệu (thay vì chuyển đổi tín hiệu). Chốt được điều khiển bởi chuyển đổi xung nhịp là flip-flop . Chốt là thiết bị nhạy cảm với mức. Chốt hữu ích cho việc thiết kế mạch tuần tự không đồng bộ. Chốt là mạch tuần tự với hai trạng thái ổn định. Chúng nhạy cảm với điện áp đầu vào và không phụ thuộc vào xung nhịp. Flip-flop không sử dụng xung nhịp được gọi là chốt.
Các loại chốt trong thiết bị điện tử kỹ thuật số
Trong điện tử kỹ thuật số có nhiều loại chốt khác nhau:
- Chốt SR
- Chốt SR có cổng
- Chốt D
- Chốt D có cổng
- Chốt JK
- T Laches
Chốt SR
Chốt SR, tức là chốt Set-Reset, là dạng chốt đơn giản nhất và được triển khai bằng hai đầu vào: S (Set) và R (Reset). Đầu vào S đặt đầu ra thành 1, trong khi đầu vào R đặt lại đầu ra thành 0. Khi cả đầu vào S và R đều ở mức 1, chốt được gọi là ở trạng thái "chưa xác định". Chúng còn được gọi là trạng thái cài đặt sẵn và trạng thái xóa. Chốt SR tạo thành các khối xây dựng cơ bản của tất cả các loại flip-flop khác.
Bảng chân lý của SR Latch
Bảng dưới đây biểu diễn bảng chân lý của chốt SR.
Sơ đồ logic của chốt SR
SR Latch là mạch logic có:
- 2 cổng NOR ghép chéo hoặc 2 cổng NAND ghép chéo.
- 2 đầu vào S để SET và R để RESET
- 2 đầu ra Q, Q'.
Sơ đồ logic bên dưới biểu diễn chốt SR sử dụng cổng NAND .
Sơ đồ logic bên dưới biểu diễn chốt SR sử dụng Cổng NOR .
Các trường hợp khác nhau của chốt SR
Các trường hợp khác nhau của chốt SR được thảo luận dưới đây.
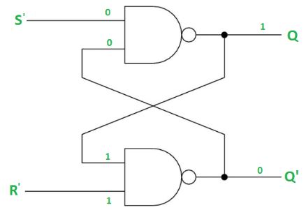
Trường hợp 1: S' = R' = 1 (S = R = 0)
- Nếu Q = 1, đầu vào Q và R' cho cổng NAND thứ 2 đều là 1.
- Nếu Q = 0, đầu vào Q và R' cho cổng NAND thứ 2 lần lượt là 0 và 1.
Trường hợp 2: S' = 0, R' = 1 (S = 1, R = 0)
- Khi S' = 0, đầu ra của cổng NAND thứ nhất, Q = 1 ( trạng thái SET ).
- Ở cổng NAND thứ hai, vì đầu vào Q và R' là 1, Q'=0.
Trường hợp 3: S' = 1, R' = 0 (S = 0, R = 1)
- Khi R'=0, đầu ra của cổng NAND thứ 2, Q' = 1.
- Ở cổng NAND đầu tiên, vì đầu vào Q và S là 1, Q = 0 ( trạng thái ĐẶT LẠI ).
Trường hợp 4: S' = R' = 0 (S = R = 1)
Khi S = R = 1, cả Q và Q' đều bằng 1, điều này không được phép. Do đó, điều kiện đầu vào bị cấm.
Chốt SR có cổng
Chốt SR có cổng là chốt SR có đầu vào cho phép hoạt động khi bật là 1 và giữ nguyên trạng thái trước đó khi bật là 0.
Bảng chân lý của chốt SR có cổng
Bảng dưới đây biểu diễn bảng chân lý của chốt SR có cổng.
Sơ đồ logic của chốt SR có cổng
Sơ đồ logic bên dưới thể hiện chốt SR có cổng.
Chốt D
Chốt D còn được gọi là chốt trong suốt và được triển khai bằng hai đầu vào: D (Dữ liệu) và tín hiệu xung nhịp. Đầu ra của chốt sẽ theo đầu vào tại chân D miễn là tín hiệu xung nhịp ở mức cao. Khi tín hiệu xung nhịp ở mức thấp, đầu ra của chốt được lưu trữ và giữ cho đến cạnh lên tiếp theo của xung nhịp.
Bảng chân lý của chốt D
Bảng dưới đây biểu diễn bảng chân lý của chốt D.
Sơ đồ logic của chốt D
Sơ đồ logic bên dưới thể hiện chốt D.
Chốt D có cổng
Chốt D tương tự như chốt SR với một số cải tiến. Ở đây, các đầu vào là phần bù của nhau. Chốt D là viết tắt của "chốt dữ liệu" vì chốt này lưu trữ tạm thời từng bit.
Bảng chân lý của chốt D có cổng
Bảng dưới đây biểu diễn bảng chân lý của chốt Gated D.
Sơ đồ logic của chốt D có cổng
Sơ đồ logic bên dưới thể hiện chốt D có cổng.
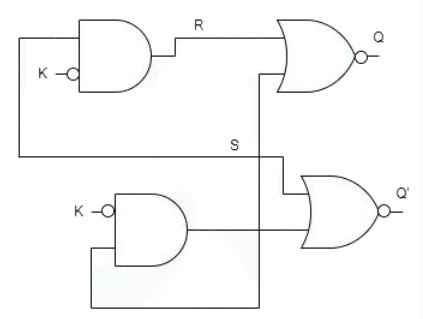
Chốt JK
Chốt JK có hai đầu vào J và K. Ngõ ra sẽ được chuyển đổi khi đầu vào J và K ở mức cao. Chốt JK cũng giống như chốt SR, nhưng nó loại bỏ trạng thái không xác định của chốt SR.
Bảng chân lý của JK Latch
Bảng dưới đây biểu diễn bảng chân lý của chốt JK.
Sơ đồ logic của JK Latch
Sơ đồ logic bên dưới thể hiện chốt JK.
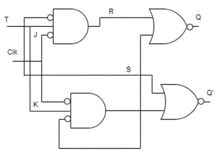
Chốt chữ T
Khi đầu vào JK của chốt JK bị ngắn mạch, ta sẽ có chốt T. Trong chốt T, đầu ra sẽ được chuyển đổi khi đầu vào ở mức cao.
Sơ đồ logic của chốt chữ T
Sơ đồ logic bên dưới thể hiện chốt T.
Ưu điểm của chốt
Một số ưu điểm của chốt được liệt kê dưới đây.
- Dễ triển khai: Chốt là mạch kỹ thuật số đơn giản có thể dễ dàng triển khai bằng cách sử dụng các cổng logic kỹ thuật số cơ bản .
- Tiêu thụ điện năng thấp: Chốt tiêu thụ ít điện năng hơn so với các mạch tuần tự khác như mạch lật.
- Tốc độ cao: Chốt có thể hoạt động ở tốc độ cao, phù hợp để sử dụng trong các hệ thống kỹ thuật số tốc độ cao.
- Chi phí thấp: Chốt có giá thành sản xuất thấp và có thể được sử dụng trong các hệ thống kỹ thuật số giá rẻ.
- Tính linh hoạt: Chốt có thể được sử dụng cho nhiều ứng dụng khác nhau, chẳng hạn như lưu trữ dữ liệu, mạch điều khiển và mạch lật.
Nhược điểm của chốt
Một số nhược điểm của chốt được liệt kê dưới đây.
- Không có đồng hồ: Chốt không có tín hiệu đồng hồ để đồng bộ hóa hoạt động của chúng, khiến hành vi của chúng trở nên không thể đoán trước.
- Trạng thái không ổn định: Đôi khi, chốt có thể chuyển sang trạng thái không ổn định khi cả hai đầu vào đều ở mức 1. Điều này có thể dẫn đến hành vi không mong muốn trong hệ thống kỹ thuật số.
- Thời gian phức tạp: Thời gian chốt có thể phức tạp và khó xác định, khiến chúng ít phù hợp với các ứng dụng điều khiển thời gian thực.
Kết luận
Ta có thể kết luận rằng chốt được sử dụng nhiều nhất trong các mạch số cho nhiều mục đích khác nhau. Chốt thay đổi ngõ ra nhanh chóng khi có tín hiệu vào mới. Các loại chốt khác nhau bao gồm chốt SR, chốt gated, chốt D, chốt D gated, chốt JK và chốt T.
.jpg)
