
Dép Flip-Flop D (Hướng dẫn nhanh)
Trong hướng dẫn này, bạn sẽ tìm hiểu cách thức hoạt động, bảng chân lý của nó và cách xây dựng một bảng chân lý bằng cổng logic.
D Flip-Flop là một mạch kích hoạt cạnh, kết hợp một cặp chốt D để lưu trữ một bit. Nó thường được sử dụng như một khối xây dựng cơ bản trong điện tử kỹ thuật số để tạo ra các bộ đếm hoặc khối bộ nhớ như thanh ghi dịch.
Trong hướng dẫn này, bạn sẽ tìm hiểu cách thức hoạt động, bảng chân lý của nó và cách xây dựng một bảng chân lý bằng cổng logic.

Dép xỏ ngón là gì?
Mạch chốt và mạch lật đôi khi được xếp chung với nhau vì cả hai đều có thể lưu trữ một bit (1 hoặc 0) trên đầu ra. Trái ngược với mạch chốt, mạch lật là mạch đồng bộ cần tín hiệu xung nhịp (Clk). Mạch lật D chỉ lưu trữ giá trị mới từ đầu vào D khi xung nhịp chuyển từ 0 sang 1 (sườn lên) hoặc từ 1 sang 0 (sườn xuống).
AD Flip-Flop được cấu tạo từ hai chốt chữ D. Bạn có thể thấy một chốt chữ D được cập nhật trên cạnh nâng bên dưới:

Sơ đồ thời gian của mạch này được hiển thị bên dưới. Nó cho thấy cách hoạt động của một Flip-Flop D được kích hoạt bằng cạnh lên. Ngõ ra Q chỉ thay đổi theo giá trị ngõ vào D tại thời điểm xung nhịp tăng từ 0 lên 1.

Flip-Flop D hoạt động như thế nào?
Vì đầu ra Q chỉ thay đổi khi đầu vào Clock chuyển từ 0 sang 1, nên bạn sẽ nhận được bảng chân lý sau:

Ở hàng đầu tiên và hàng cuối cùng của bảng chân lý, đầu vào xung nhịp là 0 và 1. Không có tín hiệu nào trong số chúng là tín hiệu cạnh lên, nên không có gì xảy ra. Đầu ra Q vẫn giữ nguyên giá trị ban đầu. Trong trường hợp này, bất kể đầu vào D có giá trị gì, đầu ra Q sẽ không thay đổi, nó sẽ giữ nguyên giá trị. Đây là cách mạch này "ghi nhớ" một bit.
Hãy nhìn vào hai hàng giữa. Ở đây, đầu vào xung nhịp đang tăng từ 0 đến 1, nên bạn có một cạnh tăng. Điều này có nghĩa là nếu đầu vào D bằng 0, đầu ra Q sẽ được đặt lại về 0. Nếu đầu vào D bằng 1, đầu ra Q sẽ được đặt về 1.
Cài đặt trước
Các chân D Flip-Flop mà bạn tìm thấy trong các chip sẵn sàng sử dụng, chẳng hạn như CD4013 , thường cũng có các đầu vào Set và Reset mà bạn có thể sử dụng để buộc D Flip-Flop bắt đầu với giá trị 1 hoặc 0 trên đầu ra. Việc sử dụng các chân này đôi khi được gọi là "cài đặt trước" D Flip-Flop.
Ưu điểm của D Flip-Flop so với Latch

Một trong những nhược điểm của chốt D là đầu ra của nó có thể thay đổi bất cứ lúc nào khi chân Kích hoạt của nó là 1. Vì vậy, nếu bạn áp dụng tín hiệu xung nhịp vào chốt D, đầu ra Q cũng có thể thay đổi trong thời gian xung dương kéo dài.

Trong sơ đồ thời gian ở trên, bạn có thể thấy rằng trong một chu kỳ xung nhịp, đầu ra vừa là 1 vừa là 0 vì đầu vào D thay đổi trong suốt xung nhịp. Đó là điều bạn không muốn xảy ra trong hệ thống kỹ thuật số có xung nhịp.
Để khiến flip-flop này chỉ thay đổi đầu ra của nó trên các cạnh tăng của tín hiệu xung nhịp, bạn có thể xây dựng Mạch flip-flop D Chủ-Tớ, yêu cầu kết hợp hai chốt D như sau:

Dép xỏ ngón D hoạt động như thế nào
Đầu ra từ chốt chính thay đổi thành đầu vào D khi đầu vào Clk bằng 0.
Nếu Clk bằng 0, điều đó có nghĩa là đầu vào Enable của chốt phụ cũng bằng 0. Do đó, không có gì xảy ra với đầu ra của chốt này.
Nhưng tại thời điểm Clk tăng từ 0 lên 1 (cạnh tăng), đầu vào Enable của chốt phụ được đặt thành 1. Điều đó có nghĩa là bất cứ thông tin nào ở đầu ra của chốt chính tại thời điểm Clk tăng từ 0 lên 1 đều được lưu vào đầu ra của chốt phụ.
Nếu bạn thay thế các ký hiệu cho chốt D được xây dựng bằng cổng NAND, bạn sẽ nhận được:

Bạn có thể sử dụng chúng vào mục đích gì?
Flip-flop D là một mạch rất hữu ích. Bạn có thể kết hợp nhiều flip-flop D để tạo ra các thanh ghi dịch và bộ đếm, chẳng hạn như các mạch này được sử dụng rất nhiều trong điện tử kỹ thuật số. Tuy nhiên, bạn không cần phải tự chế tạo chúng từ đầu. Thay vào đó, bạn có thể sử dụng chip CD4013 chứa hai flip-flop D.
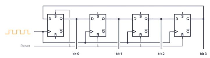
Ví dụ về mạch: Thanh ghi dịch chuyển
Để tạo một thanh ghi dịch chuyển , hãy kết nối đầu ra của một flip-flop với đầu vào của flip-flop tiếp theo. Các bit mới sẽ đi vào flip-flop đầu tiên bên trái. Và với mỗi xung nhịp, các bit được lưu trữ trong các flip-flop khác sẽ được dịch chuyển một vị trí sang phải.

Điều này hữu ích, ví dụ, để có thêm chân đầu ra từ Arduino hoặc các vi điều khiển khác . Để điều khiển thanh ghi dịch, bạn cần một chân dữ liệu và một chân xung nhịp. Vì vậy, chỉ với hai chân từ Arduino, bạn có thể điều khiển bao nhiêu chân ngoài tùy thích bằng cách sử dụng thanh ghi dịch.
Ví dụ về mạch: Bộ đếm vòng
Nếu bạn lấy đầu ra từ flip-flop cuối cùng trong thanh ghi dịch chuyển và kết nối nó với đầu vào của flip-flop đầu tiên, bạn sẽ có được Bộ đếm Vòng . Đặt trước một trong các flip-flop bắt đầu bằng 1, sau đó giá trị 1 này sẽ được dịch chuyển liên tục trong Bộ đếm Vòng.

IC 4017 là một chip có chức năng tương tự, nhưng có tới 10 ngõ ra thay vì chỉ 4 như trên. Điều này tạo nên một chip thú vị mà bạn có thể sử dụng để tạo ra thanh LED Knight Rider chẳng hạn .




