
Dép xỏ ngón T Flip-Flop (Hướng dẫn nhanh)
Trong hướng dẫn bắt đầu nhanh này, bạn sẽ tìm hiểu cách thức hoạt động, bảng chân lý của nó và cách xây dựng một bảng như vậy.
Flip-Flop T là một flip-flop có thể đảo chiều ngõ ra. Đảo chiều tức là chuyển đổi ngõ ra sang giá trị ngược lại; 1 thành 0, và 0 thành 1. Loại flip-flop này thường được sử dụng trong các bộ đếm và bộ chia tần số.

Dép xỏ ngón T là gì?
Flip-flop là linh kiện thường được sử dụng để lưu trữ giá trị số trên đầu ra của chúng. Chúng có đầu vào Clock (Clk) quyết định thời điểm cập nhật đầu ra.
T Flip-Flop là một flip-flop đầu vào đơn có chức năng giữ nguyên hoặc chuyển đổi giá trị đầu ra.
Toggling , chính là lý do chữ "T" trong tên, có nghĩa là chuyển đổi giữa hai trạng thái. Nếu đầu ra là 1, toggling sẽ chuyển đầu ra thành 0. Nếu đầu ra là 0, toggling sẽ chuyển đầu ra thành 1.
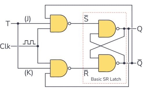
Bạn có thể xây dựng một T Flip-Flop từ các flip-flop khác, ví dụ bằng cách sử dụng flip-flop JK và kết nối các đầu vào J và K như sau:

Bảng chân lý
Nhìn chung, bạn có thể kích hoạt T Flip-Flop bằng tín hiệu cạnh giảm, tức là sự thay đổi từ trạng thái số từ 0 lên 1 ↓, hoặc bằng tín hiệu cạnh tăng, tức là sự thay đổi từ 1 lên 0 ↑. Bảng chân lý sau đây tương ứng với một flip-flop kích hoạt ở cạnh tăng:

Bạn có thể thấy rằng nếu không có cạnh tăng ở đầu vào Clk, bất kể bạn đưa gì vào đầu vào T, đầu ra Q sẽ không thay đổi.
Tương tự trường hợp trước, khi đầu vào T có giá trị 0. Ngay cả khi flip-flop được kích hoạt, nếu đầu ra Q có giá trị 0 hoặc 1 thì nó vẫn sẽ giữ nguyên như vậy.
Để có được hành vi Toggling , bạn phải đặt số 1 vào đầu vào T. Bạn sẽ thấy sự thay đổi từ 0 thành 1 hoặc từ 1 thành 0 mỗi khi flip-flop được kích hoạt. Bạn có thể thấy hành vi này trong sơ đồ thời gian bên dưới:

Xây dựng mạch lật T
Bạn có thể chế tạo một Flip-Flop T chỉ bằng cách nối tắt các đầu vào J và K của một Flip-Flop JK. Tuy nhiên, một số trang web gợi ý bạn nên chế tạo mạch như bên dưới. Nhưng đây là một mạch chưa hoàn chỉnh và sẽ không hoạt động bình thường:

Trên lý thuyết, nó có vẻ hoạt động. Nhưng điều mà hầu hết các trang web đăng mạch này không đề cập đến là bạn cần một xung nhịp rất ngắn để nó hoạt động.
Xung nhịp đồng hồ của bạn cần phải tăng lên mức cao, rồi lại giảm xuống mức thấp trước khi ngõ ra (Q) thay đổi trạng thái. Nếu không, ngõ ra Q sẽ nhanh chóng chuyển đổi giữa 1 và 0 trong suốt thời gian xung dương. Bạn có thể thấy hiện tượng này trong sơ đồ thời gian sau:

Đây là một vấn đề gọi là Racing . Nhưng có thể dễ dàng giải quyết bằng cách sử dụng JK Flip-Flop kích hoạt bằng cạnh.
Bạn cũng có thể xây dựng một T Flip-Flop có đầy đủ chức năng bằng cách sử dụng D Flip-Flop kết hợp với cổng XOR , như thế này:

Mạch ví dụ: Bật tắt đèn LED
Ví dụ thực tế, bạn có thể bật tắt một diode phát quang (LED) chỉ bằng một nút nhấn, T Flip-Flop và một số điện trở. Hãy xem mạch điện bên dưới:

Bạn có thể thấy đầu vào T được kết nối với 5V, nghĩa là logic 1. Vì vậy, mỗi khi bạn kích hoạt T Flip-Flop, đầu ra Q sẽ chuyển đổi trạng thái của nó.
Đầu vào Clk sử dụng cấu hình điện trở kéo xuống, nghĩa là đầu vào Clk sẽ bằng 0 khi nút không được nhấn. Khi bạn nhấn nút PB1, đầu vào Clk sẽ chuyển từ 0 sang 1 (tín hiệu cạnh lên).
Vì vậy, mỗi khi nhấn PB1, đèn LED được kết nối với đầu ra Q sẽ bật hoặc tắt.
Để lắp ráp mạch điện trên, bạn cần:
- 1x Mạch Flip-Flop T (ví dụ bằng cách kết hợp một CD4013 và một CD4030 )
- 2 điện trở 10 kΩ (R1 và R2)
- 1x điện trở 330 Ω (R3)
- 1x Nút nhấn
- 1 đèn LED




