Nguồn điện không biến áp dòng điện cao
Tìm hiểu thiết kế mạch cung cấp dòng điện đầu ra lớn trực tiếp từ nguồn điện xoay chiều mà không cần sử dụng biến áp cách ly cồng kềnh.
Việc tạo ra các nguồn điện mà không cần đến các máy biến áp lớn, đắt tiền và nặng nề là một thách thức về điện tử và là một lĩnh vực thú vị để tìm ra giải pháp. Hãy cùng khám phá cách thiết kế các hệ thống điện công suất cao mà không cần máy biến áp.
Bộ nguồn không biến áp sử dụng điện kháng dung để giảm điện áp xoay chiều đầu vào. Cần lưu ý rằng hệ thống sẽ cung cấp điện áp 230 VAC (hoặc 110 VAC tùy thuộc vào quốc gia), và điện áp đầu ra phải liên tục và ổn định nhất có thể.
Đối với các ứng dụng công suất thấp, không có vấn đề gì. Tuy nhiên, đối với dòng điện cao, nguồn điện có thể trở nên kém hiệu quả hơn. Khái niệm cơ bản tập trung vào việc sử dụng tụ điện cao áp để giảm điện áp lưới xuống mức mong muốn. Dòng điện ở đầu ra của mạch tỷ lệ thuận với điện kháng của tụ điện (và tất nhiên, phụ thuộc vào điện dung của tụ điện). Do đó, dòng điện này có thể dễ dàng tăng lên bằng cách mắc song song nhiều tụ điện hoặc bằng cách sử dụng các tụ điện có điện dung rất cao. Tuy nhiên, có nguy cơ dòng điện đỉnh ban đầu tương đối cao, có thể gây ra các vấn đề nghiêm trọng.
Sơ đồ nguyên lý điện
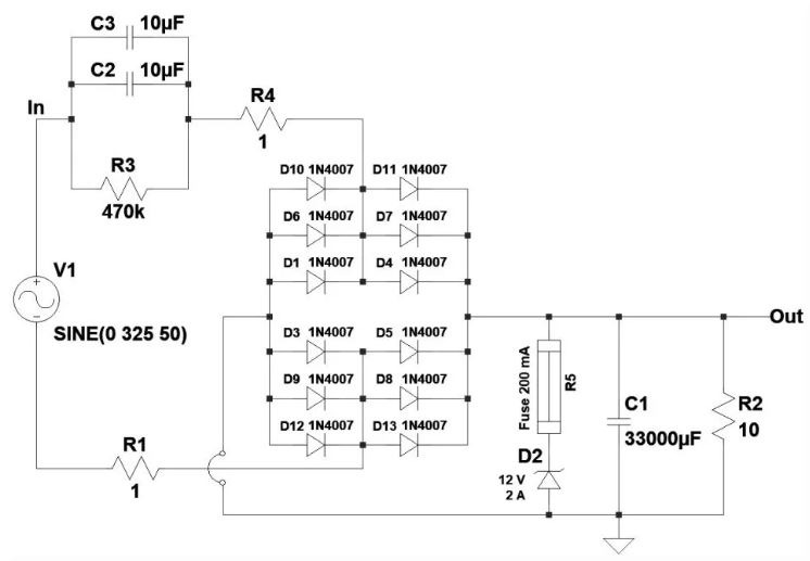
Hình 1 thể hiện sơ đồ mạch của một bộ nguồn không biến áp, giảm điện áp từ 230 VAC xuống 12 VDC với công suất đầu ra lý thuyết là 1 A. Nguyên mẫu này chỉ hữu ích cho các thí nghiệm về nguồn điện và không thể áp dụng cho các hệ thống nhạy cảm như thiết bị y tế hoặc thiết bị an toàn. Trên thực tế, không có sự cách ly giữa đầu vào và đầu ra. Tuy nhiên, đối với mục đích sử dụng thông thường, chức năng của thiết bị này được đảm bảo. Các linh kiện điện tử được sử dụng như sau:
- C1: Tụ điện phân cực 33.000 µF, 25 VL
- C2: Tụ điện polyester không phân cực ≥ 400 V, 10 µF
- C3: Tụ điện polyester không phân cực ≥ 400 V, 10 µF
- D1: Điốt 1N4007
- D2: Điốt Zener 12V, 3W
- D3: Điốt 1N4007
- D4: Điốt 1N4007
- D5: Điốt 1N4007
- D6: Điốt 1N4007
- D7: Điốt 1N4007
- D8: Điốt 1N4007
- D9: Điốt 1N4007
- D10: Điốt 1N4007
- D11: Điốt 1N4007
- D12: Điốt 1N4007
- D13: Điốt 1N4007
- R1: Điện trở 1Ω, 5 watt
- R2: Điện trở 10 Ω có nghĩa là tải phải có giá trị ít nhất là 10 Ω.
- R3: Điện trở 470 kΩ, 1 W
- R4: Điện trở 1Ω, công suất 5 watt.
- R5: Cầu chì 200 miliampe.
Mỗi linh kiện điện tử đều có chức năng riêng biệt. Mạch điện hoạt động theo một cơ chế cụ thể như sau:
- Dòng điện xoay chiều 230 VRMS chạy qua mạch hạn chế được tạo ra bởi C2 và C3, trong đó R3 có nhiệm vụ xả tụ điện khi mạch không được cấp nguồn.
- Các điốt siêu cầu 1N4007 (D10, D11, D6, D7, D1, D4, D3, D5, D9, D8, D12 và D13) chỉnh lưu điện áp bằng cách chuyển đổi bán chu kỳ âm thành bán chu kỳ dương. Số lượng lớn điốt giúp phân chia công suất, giảm nhiệt lượng tỏa ra và giữ cho công suất nằm trong giới hạn do nhà sản xuất quy định.
- R1 và R4 giới hạn nhẹ dòng điện trong trường hợp trở kháng của tụ điện rất thấp trong quá trình cắt bỏ điểm 0 của tín hiệu xoay chiều.
- Cầu chì 200 mA R5 bảo vệ điốt Zener khỏi dòng điện quá tải, có thể xảy ra trong trường hợp tải bị lỗi. Mạch điện giả định luôn có tải 10 ohm.

Phân tích dòng điện, điện áp và công suất.
Tiếp theo, chúng ta sẽ xem xét hoạt động động học của mạch trong điều kiện vận hành bình thường. Một tải 10 ohm phải được kết nối với hệ thống ngay từ đầu. Nguồn điện sẽ được kích hoạt sau một khoảng thời gian ngắn khoảng 1 giây, trong thời gian đó tụ điện C1 có dung lượng cao sẽ được nạp điện. Điện áp ở đầu ra và ở tải sẽ duy trì ổn định ở mức 12 volt, như thể hiện trong Hình 2.

Từ điểm này, tải (10 Ω) sẽ được cấp dòng điện khoảng 1,2 ampe, tiêu thụ công suất 14,3 watt. Bây giờ chúng ta hãy xem xét các giá trị điện áp, dòng điện và công suất của các thành phần quan trọng nhất. Điện áp trên các tụ điện polyester C2 và C3 khá cao, khoảng 320 vôn, đỉnh bằng không, như bạn có thể thấy trong đồ thị dao động ở Hình 3. Do đó, không thể sử dụng tụ điện không phân cực 200 VL; nó cần phải có giá trị ít nhất 400 VL, hoặc tốt hơn nữa là 630 VL. Tổng điện dung của nhóm tụ điện này là 20 µF.
Đồ thị trong Hình 4 thể hiện dòng điện chạy qua mỗi điốt 1N4007. Thông số kỹ thuật cho biết dòng điện tối đa mà thiết bị có thể chịu được là 1 ampe, mặc dù dòng điện xung có thể cao hơn. Tuy nhiên, dòng điện này nằm trong giới hạn trên do số lượng lớn các linh kiện bán dẫn được mắc song song.
Dòng điện tối đa chạy qua diode Zener là 150 mA, trung bình là 34 mA và giá trị hiệu dụng (RMS) là 63 mA. Khi tải phù hợp được cấp vào ổ cắm, thiết bị vẫn mát và hoạt động chính xác mà không gặp sự cố nào. Cả hai điện trở an toàn R1 và R4 đều có giá trị 1 ohm, tạo ra dòng điện gần hình sin là 2 Ampe, đạt đỉnh tại điểm 0, như thể hiện trong Hình 5. Giá trị hiệu dụng (RMS) của dòng điện này xấp xỉ 1,4 Ampe. Do đó, công suất tiêu hao tối thiểu của các thiết bị này phải vào khoảng 3 Watt. Dạng sóng của dòng điện này (và điện áp tương đối trên các điện trở này) không hoàn toàn là hình sin mà giao nhau tại điểm 0 do sự sụt giảm điện áp trên diode, điều này trên thực tế được gọi là méo giao điểm.
Tín hiệu gợn sóng ở đầu ra
Như thể hiện trong Hình 6, độ gợn sóng ở mức chấp nhận được. Giá trị đỉnh-đỉnh xấp xỉ 92 milivolt, tương đương 0,75%, được coi là cao hơn giá trị chấp nhận được đối với các tải tương đối đơn giản. Tần số gợn sóng là 100 Hz.
Hãy cẩn thận với cầu dao điện.
Khi mạch kín, tụ điện C2 và C3 có thể vẫn tích điện trong thời gian rất dài, đòi hỏi phải hết sức cẩn thận. Do đó, nên mắc song song một điện trở 470 kΩ với các tụ điện cao áp này, như thể hiện trong sơ đồ đấu dây. Trong điều kiện hoạt động bình thường, điện trở này sẽ không ảnh hưởng đến hoạt động bình thường của mạch, vì nó có công suất tiêu hao khoảng 110 mW. Tuy nhiên, khi không có nguồn điện, điện trở này sẽ xả hết điện tích trong các tụ điện trong khoảng 50 giây. Sau 20 giây, mạch sẽ không còn bị hư hại nữa (xem đồ thị trong Hình 7).
hiệu quả
Hiệu suất mạch không phải là một trong những yếu tố thuận lợi cho bộ nguồn này. Sự tản nhiệt quá mức sẽ làm giảm đáng kể công suất đầu ra. Một phép tính hiệu suất đơn giản sẽ cho thấy mối quan hệ giữa công suất đầu ra và công suất đầu vào:

Từ đó trở đi

Với hiệu suất cuối cùng là 69%, chúng ta không thể tự tin khẳng định đã đạt được hiệu suất tối đa.
Phương pháp cấp điện này không tiện lợi.
Xét đến tất cả các vấn đề tiềm ẩn, có thể nói rằng việc lắp đặt máy biến áp thông thường hoặc bộ nguồn chuyển mạch thuận tiện hơn so với việc lắp đặt mạch điện theo các chức năng này (xem ví dụ ứng dụng trong Hình 8). Nhược điểm thì nhiều, có thể tóm tắt như sau:
- Các tụ điện polyester điện áp cao, dung lượng lớn rất đắt tiền, có giá bằng hoặc thậm chí cao hơn một máy biến áp nhỏ 1 ampe. Tụ điện điện phân cũng có giá thành cao.
- Mạch điện này không được cách ly khỏi mạng điện đầu vào, do đó có thể gây nguy hiểm. Hơn nữa, việc đứt kết nối hoặc hư hỏng các linh kiện có thể dẫn đến thiệt hại cho toàn bộ thiết bị.
- Hiệu năng không cao lắm, nên việc phải thỏa hiệp nhiều như vậy là không tiện lợi.
- Dòng điện đầu ra tối đa khoảng 1 A. Chúng ta vẫn còn rất xa so với việc xử lý các tải điện trở hoặc điện cảm cần dòng điện 20 A hoặc 30 A để hoạt động.
Bản tóm tắt
Mạch nguồn không biến áp có một số nhược điểm và không thể sử dụng trong các điều kiện nhạy cảm và quan trọng. Các mạch này không thể xử lý dòng điện cao, và đầu ra không được cách ly khỏi đầu vào điện áp cao. Bên cạnh hiện tượng tăng đột biến điện áp do dòng điện xoay chiều ở tần số 50 hoặc 60 Hz, hiện tượng dòng điện tiêu thụ cao từ tụ điện cũng có thể xảy ra, gây nguy hiểm cho toàn bộ mạch. Trong mọi trường hợp, việc hiểu lý thuyết đằng sau loại nguồn điện này luôn có lợi, ngay cả khi ứng dụng thực tế của nó không mấy thuận tiện.
