Biến tần đa cấp – Các loại và ưu điểm
Khám phá cách Biến tần đa cấp tối ưu hóa điện áp cao mà ít căng thẳng hơn! Khám phá các loại và ưu điểm của chúng trong bài đọc nhanh này.
Biến tần
Biến tần là một thiết bị điện chuyển đổi dòng điện một chiều (DC) thành dòng điện xoay chiều (AC). Điện xoay chiều chủ yếu được sử dụng cho các thiết bị điện như chiếu sáng. Radar, radio, động cơ và các thiết bị khác
Biến tần đa cấp
Ngày nay, nhiều ứng dụng công nghiệp đang bắt đầu đòi hỏi công suất cao. Tuy nhiên, một số thiết bị công nghiệp yêu cầu công suất trung bình hoặc thấp để hoạt động. Việc sử dụng nguồn điện công suất cao cho tất cả các tải công nghiệp có thể có lợi cho một số động cơ yêu cầu công suất cao. Động cơ truyền động trung thế và một số ứng dụng tiện ích yêu cầu điện áp trung bình. Biến tần đa cấp đã được giới thiệu từ năm 1975 như một giải pháp thay thế cho các tình huống công suất cao và trung thế. Biến tần đa cấp giống như biến tần và được sử dụng cho các ứng dụng công nghiệp như một giải pháp thay thế cho các tình huống công suất cao và trung thế.
Mạch biến tần DC-AC điển hình
Một bộ chuyển đổi đa cấp là cần thiết để cung cấp công suất đầu ra cao từ nguồn cung cấp điện áp trung bình. Nguồn cung cấp trung thế như pin, siêu tụ điện và tấm pin mặt trời. Góc của công tắc có tầm quan trọng lớn.
Các loại biến tần đa cấp:
Có 3 loại biến tần đa cấp.
- Biến tần đa cấp gắn diode
- Tụ điện bay biến tần đa cấp
- Biến tần đa cấp cầu chữ H xếp chồng lên nhau
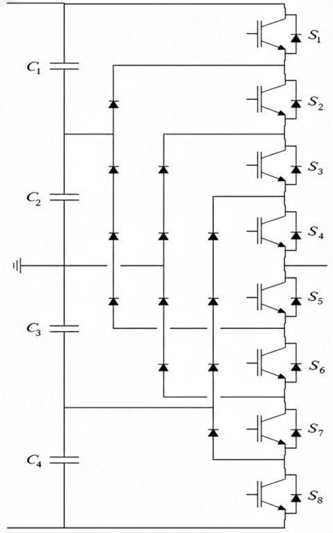
Biến tần đa cấp gắn Diode:
Ý tưởng chính của biến tần này là lấy điốt và cung cấp nhiều mức điện áp qua các pha khác nhau cho một loạt tụ điện được kết nối nối tiếp. Diode truyền một lượng điện áp hạn chế, do đó giảm tải cho các thiết bị điện khác. Điện áp đầu ra tối đa bằng một nửa điện áp DC đầu vào. Đây là nhược điểm chính của biến tần đa cấp diode gắn kẹp. Vấn đề này có thể được giải quyết bằng cách thêm công tắc, điốt và tụ điện, vì vấn đề cân bằng tụ điện, nó bị giới hạn ở ba cấp độ.
Ví dụ: Biến tần đa cấp Diode 5 cấp, Biến tần đa cấp Diode 9 cấp
- Biến tần đa cấp chứa 5 cấp điốt sử dụng công tắc. Nó sử dụng một tụ điện duy nhất, vì vậy điện áp đầu ra bằng một nửa DC đầu vào.
- Biến tần đa cấp diode kẹp 9 cấp sử dụng công tắc, điốt và tụ điện, lớn gấp đôi so với biến tần diode kẹp 5 cấp nên đầu ra nhiều hơn đầu vào.
Các ứng dụng của biến tần đa cấp Diode kẹp:
- Bù không đổi
- Động cơ truyền động tốc độ thay đổi
- Vol caotage Kết nối
- Đường dây truyền tải điện áp cao DC và AC
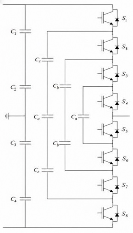
Tụ điện bay biến tần đa cấp:
Ý tưởng chính của biến tần này là sử dụng tụ điện. Tụ điện truyền một lượng điện áp hạn chế đến thiết bị điện. Loại biến tần đa cấp này không yêu cầu diode kẹp. Đầu ra bằng một nửa điện áp DC đầu vào. Đây là nhược điểm của biến tần đa cấp tụ điện bay. Ngoài ra còn có một công tắc dự phòng trong pha để cân bằng các tụ điện bay. Nó có thể kiểm soát cả dòng năng lượng hoạt động và phản kháng. Nhưng do chuyển đổi tần số cao, Tổn thất năng lượng chuyển mạch xảy ra.
Ví dụ: Biến tần đa cấp, tụ điện bay 5 cấp, biến tần đa cấp, tụ bù bay 9 cấp.
- Biến tần này giống như nhiều biến tần diode kẹp.
- Biến tần này chỉ sử dụng công tắc và tụ điện.
Ứng dụng của tụ điện bay Biến tần đa cấp
- Điều khiển động cơ cảm ứng sử dụng mạch DTC (Điều khiển mô-men xoắn trực tiếp)
- Tạo biến cố định
- Cả ứng dụng chuyển đổi AC-DC và DC-AC
- Bộ chuyển đổi có khả năng biến dạng sóng hài
- Biến tần hình sin
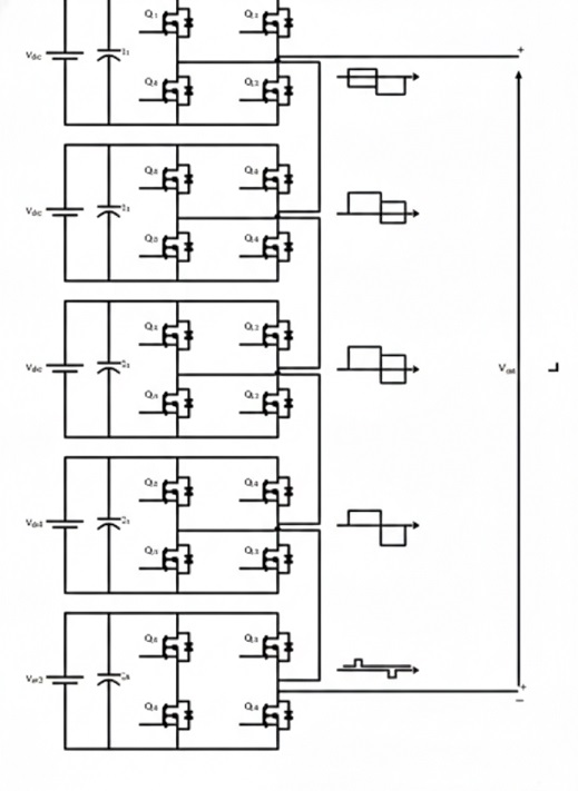
Biến tần đa cấp H-Bridge xếp chồng lên nhau:
Biến tần đa cấp xếp tầng cầu H sử dụng tụ điện và công tắc, vì vậy chúng sử dụng ít thành phần hơn ở mỗi cấp. Cấu trúc liên kết này bao gồm một số bộ tế bào chuyển đổi năng lượng và công suất có thể dễ dàng mở rộng. Sự kết hợp giữa tụ điện và công tắc được gọi là cầu H, cung cấp điện áp DC đầu vào riêng biệt cho mỗi cầu H. Điện áp DC dương và điện áp DC âm Một trong những ưu điểm của loại biến tần đa cấp này là sử dụng ít linh kiện hơn so với diode kẹp và biến tần tụ điện nổi. Giá thành và trọng lượng của biến tần thấp hơn so với hai biến tần. Chuyển đổi mềm có thể đạt được với một số phương pháp chuyển đổi mới.
Biến tần tầng đa cấp được sử dụng để loại bỏ các vấn đề về máy biến áp lớn cần thiết trong trường hợp biến tần nhiều pha thông thường. Điốt kẹp cần thiết cho biến tần diode kẹp và tụ điện nổi cần thiết cho biến tần tụ điện nổi. Tuy nhiên, chúng đòi hỏi một lượng lớn điện áp cách ly để cung cấp cho mỗi tế bào.
Ví dụ: Biến tần đa cấp cầu chữ H 5 cấp, biến tần đa cấp cầu H kẹp 9 cấp
- Biến tần này giống như biến tần đa diode kẹp.
Các ứng dụng của biến tần đa cấp cầu chữ H xếp tầng
- Ổ đĩa động cơ
- Bộ lọc hoạt động
- Xe chạy bằng điện
- Sử dụng nguồn điện DC
- Bộ bù công suất
- Hệ thống liên kết tần số liên tiếp
- Kết nối với các nguồn năng lượng tái tạo
Ưu điểm của biến tần đa cấp:
Bộ chuyển đổi đa cấp có một số ưu điểm:
1. Chế độ điển hình Voltage:
Biến tần đa cấp tạo ra điện áp chế độ chung. Giảm căng thẳng cho động cơ và không làm hỏng động cơ.
2. Dòng điện đầu vào:
Biến tần đa cấp có thể rút dòng điện đầu vào với độ méo thấp.
3. Tần số chuyển mạch:
Biến tần đa cấp có thể hoạt động ở cả tần số chuyển mạch cơ bản, tức là tần số chuyển mạch cao hơn và tần số chuyển mạch thấp hơn. Lưu ý rằng tần số chuyển mạch càng thấp thì tần số chuyển mạch càng thấp. Bạn càng có nhiều tổn thất chuyển đổi, hiệu quả càng cao.
4. Giảm méo hài:
Các kỹ thuật loại bỏ sóng hài có chọn lọc kết hợp với cấu trúc liên kết đa cấp dẫn đến biến dạng sóng hài toàn phần trong dạng sóng đầu ra thấp mà không cần sử dụng bất kỳ mạch lọc nào.
.jpg)
