Bộ chỉnh lưu là gì?
Bài viết này cung cấp sự hiểu biết chi tiết về thành phần điện được gọi là bộ chỉnh lưu.
Bộ chuyển đổi dòng điện xoay chiều (AC) là dòng điện một chiều (DC) để điện tích chạy theo một hướng. Như chúng ta đã biết, điện đến nhà chúng ta từ lưới điện dưới dạng điện xoay chiều (AC), nhưng các thiết bị điện được sử dụng phổ biến nhất như điện thoại di động, máy tính, tivi, tủ lạnh, v.v., đều sử dụng dòng điện một chiều (DC). Do đó, biến tần AC là một thành phần rất hữu ích trong điện tử.
Bài viết này cung cấp sự hiểu biết chi tiết về các thành phần điện được gọi là biến tần, bao gồm các loại khác nhau như biến tần toàn sóng và nửa sóng. Biến tần được điều khiển và không được kiểm soát, v.v. Ngoài ra, chúng ta sẽ tìm hiểu về các biến tần chuyên dụng khác nhau, chẳng hạn như biến tần hồ quang thủy ngân. Biến tần Selen và Biến tần chính xác
Bộ chỉnh lưu là gì?
Bộ chỉnh lưu là một thiết bị hoặc mạch điện tử chuyển đổi dòng điện xoay chiều (AC) thành dòng điện một chiều (DC). Trong khi dòng điện một chiều chạy theo một hướng nhất quán. Bộ chỉnh lưu rất quan trọng trong nhiều ứng dụng điện tử yêu cầu điện áp DC không đổi.
Hầu hết các biến tần sử dụng điốt kết nối PN để chuyển đổi dòng điện xoay chiều thành dòng điện một chiều, nhưng một số cũng sử dụng các vật liệu khác, chẳng hạn như vật liệu bán dẫn như cacbua silic hoặc các thiết bị bán dẫn chuyên dụng như thyristor và bóng bán dẫn hiệu ứng trường bán dẫn (MOSFET).
Bộ chỉnh lưu hoạt động như thế nào?
Dòng điện xoay chiều (Reccifier) là một thiết bị điện chuyển đổi dòng điện xoay chiều (AC) thành dòng điện một chiều (DC). Quá trình này được gọi là chỉnh sửa.
Biến tần hoạt động bằng cách sử dụng một diode, giống như van một chiều cho điện. Biến tần có thể sử dụng một hoặc nhiều điốt để chuyển đổi nửa chu kỳ dương hoặc âm của dòng điện xoay chiều (AC) thành nửa chu kỳ. Biến tần tạo ra điện áp một chiều bằng cách chỉnh lưu một chu kỳ dòng điện xoay chiều và quá trình đảo chiều của quá trình trên được gọi là biến tần, và quá trình này được gọi là đảo ngược điện.
Bộ chỉnh lưu
Điốt tiếp giáp PN có nhiều ứng dụng, và bộ chỉnh lưu là một trong số đó. Chúng ta có thể chuyển đổi tín hiệu điện.
Các loại chỉnh lưu
Có nhiều loại chỉnh lưu khác nhau được sử dụng trong điện tử cho các ứng dụng khác nhau. Các bộ chỉnh lưu này bao gồm:
Biến tần nửa sóng
- Các loại biến tần đơn giản nhất
- Một diode duy nhất được sử dụng để cho phép dòng điện chỉ chạy theo một hướng trong nửa chu kỳ của dạng sóng AC.
- Hiệu quả cũng khá thấp.
Bộ chỉnh lưu sóng đầy đủ
- Hai điốt được sử dụng để cố định cả hai phần của sóng xoay chiều.
- Cải thiện hiệu suất so với biến tần nửa sóng.
Biến tần toàn sóng trung tâm: Sử dụng máy biến áp vòi trung tâm.
Bộ chỉnh lưu cầu: Bốn điốt được sử dụng trong cấu hình cầu nối, giúp loại bỏ sự cần thiết của máy biến áp vòi trung tâm.
Bộ chỉnh lưu cầu
- Một loại bộ chỉnh lưu toàn sóng sử dụng bốn điốt trong một mẫu cầu.
- Nó hiệu quả hơn so với bộ chỉnh lưu toàn sóng vòi trung tâm.
- Thường được sử dụng trong nguồn điện và thiết bị điện tử.
Bộ chỉnh lưu không cầu
- Bộ chỉnh lưu cầu làm giảm điện áp rơi liên quan đến diode.
- Sử dụng các công tắc bổ sung để kiểm soát dòng điện.
- Cung cấp hiệu suất tốt hơn so với bộ chỉnh lưu cầu truyền thống.
Bộ chỉnh lưu điện áp kép
- Một mạch tăng gấp đôi điện áp đầu ra của bộ chỉnh lưu.
- Tụ điện được sử dụng để lưu trữ và cung cấp điện tích bổ sung trong quá trình hiệu chỉnh.
Hệ số Cockcroft-Walton
- Mạch nhân điện áp tạo ra điện áp một chiều cao từ điện áp xoay chiều thấptage.
- Nó thường được sử dụng trong máy gia tốc hạt và nguồn điện cao áp.
Biến tần cắt nhỏ
- Sử dụng công tắc (máy băm) để điều khiển vol đầu ratage.
- Điện áp đầu ra DC thay đổi có thể được cung cấp bằng cách điều chỉnh chu kỳ làm việc của máy cắt.
Biến tần ngắn
- Nó sử dụng điốt Schottky, có giá trị giảm điện áp chuyển tiếp thấp hơn so với điốt tiêu chuẩn.
- Tốc độ chuyển mạch nhanh hơn và tổn thất điện năng thấp hơn
Bộ chỉnh lưu đồng bộ
- Sử dụng các thành phần hoạt động như MOSFET thay vì điốt.
- Nó làm giảm tổn thất độ dẫn điện và tăng hiệu quả.
Bộ chỉnh lưu diode Zener
- Nó sử dụng một diode Zener để điều khiển điện áp.
- Cung cấp áp suất đầu ra không đổi ngay cả khi áp suất đầu vào dao động.
Ngoài các loại này, Biến tần có thể được phân loại thành biến tần và biến tần được điều khiển. Điện không được kiểm soát
Biến tần điều khiển: Bộ chuyển đổi Loại điện này Điện áp luôn thay đổi và MOSFET, SCR hoặc IGBT được sử dụng để chuyển đổi biến tần không được điều chỉnh thành biến tần được điều chỉnh. Loại biến tần này bao gồm hai loại biến tần khác:
- Biến tần điều khiển nửa sóng
- Biến tần điều khiển sóng đầy đủ
Biến tần không thể điều khiển: trong loại biến tần này Điện áp không thể được kiểm soát, hoặc nó không thể thay đổi theo thời gian. Có hai loại biến tần không điều khiển:
- Biến tần nửa sóng không được kiểm soát
- Biến tần toàn sóng không được kiểm soát
Biến tần không được kiểm soát sử dụng điốt và tạo ra điện áp đầu ra không đổitage chỉ phụ thuộc vào đầu vào AC.
Nó hoạt động với các công tắc và loại diode chỉnh lưu này đóng một vai trò quan trọng.
Bộ chỉnh lưu này không thể được điều khiển vì nó được kết nối theo xu hướng thuận.
Biến tần nửa sóng
Dễ xây dựng, tương tự như bộ chỉnh lưu. Bộ chỉnh lưu nửa chiều sử dụng để chuyển đổi tín hiệu dòng điện xoay chiều (AC) thành tín hiệu dòng điện một chiều (DC) bằng cách đi qua mạch nửa chu kỳ âm hoặc dương. Nhược điểm duy nhất là nó có hiệu suất thấp hơn so với bộ chỉnh lưu toàn sóng. Nói một cách đơn giản. Bộ chỉnh lưu nửa sóng cung cấp dòng điện dương thuần túy, tránh nửa chu kỳ âm. Trong khi bộ chỉnh lưu toàn sóng cung cấp dòng điện âm hoàn toàn bằng cách thay đổi hướng, hiệu suất của bộ chỉnh lưu nửa sóng là 40,5%, thấp hơn so với bộ chỉnh lưu toàn sóng.
Bộ chỉnh lưu nửa sóng
Bộ chỉnh lưu nửa sóng như sau:
.png)
Biến tần sóng đầy đủ
Đó là quá trình chuyển đổi tín hiệu dòng điện xoay chiều (AC) thành tín hiệu dòng điện một chiều (DC). Bộ chỉnh lưu toàn sóng chỉnh lưu cả nửa chu kỳ dương và âm của tín hiệu đến, đây là tín hiệu xen kẽ. Hiệu quả của bộ chỉnh lưu toàn sóng hiệu quả gấp đôi so với bộ chỉnh lưu nửa sóng. Do đó, các bộ chỉnh lưu này được sử dụng rộng rãi trong tất cả các loại thiết bị điện tử vì chúng có thể chịu được điện áp cao hoặc điện áp có công suất cao.
Bộ chỉnh lưu sóng đầy đủ
Các mạch cho bộ chỉnh lưu toàn sóng như sau:
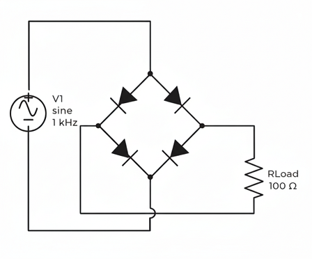
Bộ chỉnh lưu cầu
Nó là một loại chỉnh lưu toàn sóng sử dụng bốn điốt để tạo thành một cầu mạch kín. Mạch này dẫn dòng điện theo cặp trong suốt nửa dương và âm, giúp không thể mất năng lượng. Nó còn được gọi là điện áp đầu ra của bộ chỉnh lưu. Bộ chỉnh lưu chủ yếu được sử dụng trong các nguồn cung cấp điện, cung cấp điện áp DC cho các thiết bị điện tử.
Chúng ta hãy xem cách hoạt động của bộ chỉnh lưu cầu. Đầu vào được đưa qua máy biến áp đến mặt cắt ngang của bộ chỉnh lưu cầu chéo. Trong trường hợp này, máy biến áp sẽ hoạt động suốt ngày đêm, vì cả hai mạch phải được cung cấp mọi lúc ở AC đến.
Bộ chỉnh lưu cầu nối
Bộ chỉnh lưu cầu nối bao gồm:

Các loại biến tần cụ thể
Ngoài các loại biến tần khác nhau kể trên, còn có một số loại biến tần đặc biệt khác, bao gồm:
- Biến tần hồ quang thủy ngân
- Biến tần selen
- Biến tần chính xác
Hãy thảo luận chi tiết về các loại này dưới đây.
Biến tần hồ quang thủy ngân
Nó được sử dụng trong những ngày đầu trước khi phát minh ra một thiết bị thể rắn được gọi là thyristor. Nó được sử dụng để cung cấp hàng trăm kilowatt điện. Nó bao gồm một hộp thủy tinh kín khí với thủy ngân ở phía dưới hoạt động như một cực âm và một cực dương ở phía trên. Hoạt động diễn ra bằng cách làm bay hơi thủy ngân trong một đường ống kín, tạo ra một rào cản điện cho phép dòng điện chỉ chạy theo một hướng. Nó được sử dụng rộng rãi trong công nghiệp và quân sự.
Biến tần selen
Nó là một loại bộ chuyển đổi điện được phát minh vào năm 1933 bằng cách sử dụng selen, một nguyên tố hóa học. Nó được sử dụng trong nguồn điện cho thiết bị điện và trong bộ sạc pin dòng điện cao, cho đến khi nó được thay thế bằng bộ biến tần diode silicon. Biến tần này bao gồm một lớp nhôm hoặc thép tấm xếp chồng lên nhau, được phủ một lớp bismuth hoặc niken dày khoảng 1 micromet, có kích thước tương tự như biến tần oxit đồng.
Biến tần chính xác
Nó là một loại chỉnh lưu được sử dụng cùng với op-amp để mạch hoạt động giống như một diode và chỉnh lưu lý tưởng. Mạch này dẫn dòng điện một cách hoàn hảo khi độ lệch đi về phía trước. Nó không vượt qua điện áp chuyển tiếp và chặn khi xảy ra phân cực ngược.
Ưu điểm của bộ chỉnh lưu
Những ưu điểm chính của biến tần như sau:
- Chuyển đổi AC sang DC cho thiết bị điện tử
- Cần thiết để sạc pin trong các thiết bị điện và xe cộ.
- Nó được sử dụng trong các quy trình công nghiệp như mạ điện và hàn.
- Nó cho phép truyền tải hiệu quả điện HVDC trên khoảng cách xa.
- Cung cấp nguồn DC có thể điều khiển và ổn định cho các ứng dụng chính xác.
- Nó là một phần của hệ thống năng lượng tái tạo để chuyển đổi dòng điện biến đổi thành điện một chiều.
- Nó tạo điều kiện thuận lợi cho việc xử lý tín hiệu bằng cách chuyển đổi tín hiệu AC thành tín hiệu đã sửa đổi.
- Nó góp phần vào hiệu quả tiêu thụ năng lượng trong quá trình chuyển đổi năng lượng.
- Tiết kiệm chi phí và đáng tin cậy cho nhiều ứng dụng
Nhược điểm của bộ chỉnh lưu
Những nhược điểm chính của bộ chỉnh lưu như sau:
- Tạo ra nhiễu sóng hài và điện trong quá trình chuyển đổi.
- Các thành phần lọc bổ sung có thể được yêu cầu để giảm gợn sóng đầu ra.
- Nó có những hạn chế trong việc xử lý mức công suất cao so với các công nghệ thay thế khác.
- Hiệu suất có thể giảm khi tải một phần hoặc khi hoạt động ngoài điều kiện thiết kế.
- Chi phí ban đầu cao đối với một số loại biến tần và thiết bị liên quan.
- Một số biến tần có thể có hệ số công suất thấp hơn so với các biến tần cùng loại. Điều này dẫn đến chất lượng điện kém.
- Có thể cần bảo trì, đặc biệt là trong các ứng dụng công nghiệp nặng.
- khả năng xảy ra nhiệt; Cơ chế làm mát phải được sử dụng trong biến tần công suất cao.
- Không tương thích với các thiết bị chạy bằng AC. Chuyển đổi bổ sung là bắt buộc đối với một số ứng dụng.
- Các vấn đề môi trường, vì một số loại biến tần có thể chứa các vật liệu nguy hiểm.
Ứng dụng của bộ chỉnh lưu
Một số ứng dụng chính của bộ chỉnh lưu bao gồm:
- Việc sử dụng bộ chỉnh lưu trong nguồn điện và hệ thống giúp chuyển đổi dòng điện xoay chiều (AC) thành dòng điện một chiều (DC).
- Nó được sử dụng trong hàn và kiểm soát tần số, cũng như được sử dụng trong thuốc đuổi muỗi để cung cấp năng lượng cho chì cho khói.
- Hệ số điện áp - Như đã đề cập trước đó, biến tần được sử dụng để chuyển đổi điện xoay chiều thành điện một chiều, v.v., giống như chúng được sử dụng để chuyển đổi điện áp xoay chiều thành điện một chiều cho các thiết bị điện như lò vi sóng, v.v.
- Nó được sử dụng trong máy biến áp để đạt được điện áp cần thiết bằng cách sử dụng biến tần kết hợp với máy biến áp giảm điện áp hoặc máy biến áp tăng áp.
- Đối với các thiết bị điện vô tuyến Bộ chỉnh lưu hoạt động như một máy dò, vì đầu ra bao gồm một tín hiệu âm thanh. Ví dụ: điều chế, giải điều chế và cung cấp điện.
