
Bộ đếm vòng trong Logic kỹ thuật số
Giải mã logic tuần hoàn! Bộ đếm vòng là thanh ghi dịch chuyển đa năng giúp luân chuyển dữ liệu, là nền tảng cho việc tạo chuỗi trong thiết kế kỹ thuật số.
Bộ đếm vòng là một ứng dụng điển hình của thanh ghi dịch. Bộ đếm vòng gần giống với bộ đếm dịch. Điểm khác biệt duy nhất là đầu ra của flip-flop cuối cùng được kết nối với đầu vào của flip-flop đầu tiên trong trường hợp bộ đếm vòng, nhưng trong trường hợp thanh ghi dịch, nó được coi là đầu ra. Ngoại trừ điểm này, tất cả các yếu tố khác đều giống nhau.
Bộ đếm vòng
Đây là một loại bộ đếm kỹ thuật số được sử dụng trong các mạch điện, thường được chế tạo bằng flip-flop. Nó hoạt động bằng cách dịch chuyển số 1 qua một loạt các flip-flop, từng cái một, theo một vòng lặp. Nó được gọi là bộ đếm vòng vì số 1 sẽ quay trở lại điểm bắt đầu khi đến điểm kết thúc, tạo thành một chu kỳ.
Số lượng trạng thái trong bộ đếm Ring = Số lượng flip-flop được sử dụng
Đặc điểm chính của máy đếm vòng
- Bit đơn '1' : Chỉ có một bit trong bộ đếm được đặt thành 1 tại bất kỳ thời điểm nào.
- Hành vi tuần hoàn : Mẫu bit tuân theo hành vi tuần hoàn và lặp lại sau một số bước cố định.
- Không đặt lại : Bộ đếm vòng không tự động đặt lại về 0. Thay vào đó, nó bắt đầu ở trạng thái xác định và sau đó tiếp tục tuần hoàn.
Hoạt động của bộ đếm vòng
- Bộ đếm vòng thường được xây dựng bằng cách sử dụng các flip-flop (flip-flop D, T hoặc JK).
- Nó bao gồm n flip-flop, trong đó n là số trạng thái trong bộ đếm. Số lượng flip-flop xác định số trạng thái duy nhất mà bộ đếm sẽ tuần hoàn qua.
- Một bit trong bộ đếm được đặt thành 1, và các bit còn lại được đặt thành 0. Trong mỗi chu kỳ xung nhịp, 1 bit dịch chuyển qua các flip-flop và mô hình lặp lại.
- Đầu ra của flip-flop cuối cùng được đưa trở lại flip-flop đầu tiên , tạo thành một vòng lặp, do đó có tên là Ring Counter.
Ví dụ về Bộ đếm vòng 4 bit
Chúng ta hãy xem xét Bộ đếm vòng 4 bit:
- Trạng thái ban đầu : 1000 (flip-flop đầu tiên được đặt thành 1 và các flip-flop khác được đặt thành 0).
- Chu kỳ xung nhịp 1 : Bit '1' chuyển sang flip-flop tiếp theo, tạo ra trạng thái 0100.
- Chu kỳ xung nhịp 2 : Bit '1' chuyển sang flip-flop tiếp theo, dẫn đến trạng thái 0010.
- Chu kỳ xung nhịp 3 : Bit '1' chuyển sang flip-flop tiếp theo, tạo ra trạng thái 0001.
- Chu kỳ xung nhịp 4 : Bit '1' dịch chuyển trở lại flip-flop đầu tiên và chu kỳ lặp lại, dẫn đến trạng thái 1000.
Trình tự trạng thái:
1000→ 0100→ 0010→ 0001→ 1000.
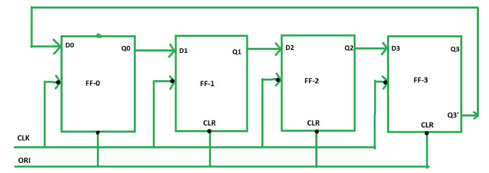
Vì vậy, để thiết kế bộ đếm Ring 4 bit, chúng ta cần 4 flip-flop như thiết kế bên dưới:
Thành phần và tín hiệu
- Ghi đè đầu vào (ORI):
- ORI được sử dụng để ghi đè chức năng bình thường của các flip-flop. Trong trường hợp này, Preset (PR) và Clear (CLR) được sử dụng làm ORI.
- Cài đặt trước (PR): Khi tín hiệu PR là 0, đầu ra của flip-flop (Q) được đặt thành 1. Đây là tín hiệu hoạt động ở mức thấp.
- Xóa (CLR): Khi tín hiệu CLR là 0, đầu ra của flip-flop (Q) được đặt thành 0. Đây cũng là tín hiệu hoạt động ở mức thấp.
- Cài đặt trước (PR) = 0, Q = 1 :
- Khi PR là 0, đầu ra của flip-flop bị ép phải 1, bất kể các đầu vào khác hoặc tín hiệu xung nhịp.
- Xóa (CLR) = 0, Q = 0:
- Khi CLR là 0, đầu ra của flip-flop bị buộc phải ghi 0đè lên các đầu vào khác.
- Các tín hiệu cài đặt trước (PR) và xóa (CLR) được sử dụng để kiểm soát trạng thái của các flip-flop.
- Đầu vào ORI của mỗi flip-flop được kết nối với Preset (PR) cho FF-0 (flip-flop đầu tiên) và với Clear (CLR) cho FF-1, FF-2 và FF-3 (các flip-flop khác).
- Tại FF-0, khi PR = 0, đầu ra Q = 1 được tạo ra và điều này tạo ra trạng thái ban đầu của bộ đếm.
- Ở các flip-flop khác (FF-1, FF-2, FF-3), CLR = 0, buộc các đầu ra Q = 0 ở các flip-flop này.
- Thiết lập này tạo ra Pre-set 1 tại FF-0 và các flip-flop khác giữ 0. "1" này tại FF-0 sau đó lan truyền qua các flip-flop theo cách tuần hoàn, tạo ra chuỗi đặc trưng của Bộ đếm vòng.
Giá trị đặt trước 1 này được tạo ra bằng cách đặt ORI ở mức thấp và đồng hồ thời gian (CLK) trở nên không quan tâm. Sau đó, ORI được đặt ở mức cao và áp dụng tín hiệu xung nhịp thấp khi đồng hồ (CLK) được kích hoạt ở cạnh âm. Sau đó, tại mỗi xung nhịp, giá trị đặt trước 1 được dịch chuyển sang flip-flop tiếp theo và do đó tạo thành một vòng. Theo cách này, có thể thiết kế một bộ đếm vòng 4 bit sử dụng bốn flip-flop D.
Các loại máy đếm vòng:
Có hai loại Ring Counter:
Bộ đếm vòng thẳng
Nó còn được gọi là Bộ đếm Một nóng (One Hot Counter). Trong bộ đếm này, đầu ra của flip-flop cuối cùng được kết nối với đầu vào của flip-flop đầu tiên. Điểm chính của Bộ đếm này là nó luân chuyển một bit một (hoặc không) duy nhất xung quanh vòng. Ở đây, chúng ta sử dụng Preset (PR) trong flip-flop đầu tiên và Clock (CLK) cho ba flip-flop cuối cùng.
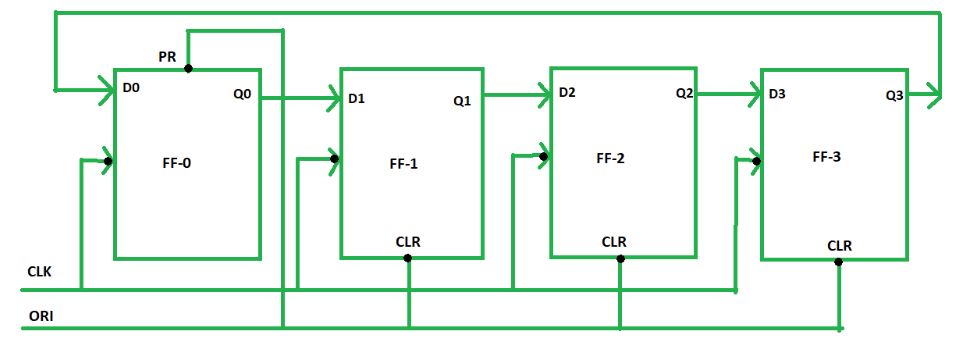
Bộ đếm vòng xoắn
Nó còn được gọi là bộ đếm vòng đuôi chuyển mạch, bộ đếm vòng di chuyển, hoặc bộ đếm Johnson. Nó kết nối phần bù của đầu ra của thanh ghi dịch cuối cùng với đầu vào của thanh ghi đầu tiên và luân chuyển một luồng các số 1 theo sau là các số 0 xung quanh vòng. Ở đây, chúng ta sử dụng Clock (CLK) cho tất cả các flip-flop. Trong Bộ đếm vòng xoắn, số trạng thái = 2 X số flip-flop.
Ưu điểm của Ring Counter
- Tính đơn giản : Dễ thiết kế, đặc biệt là đối với các ứng dụng nhỏ.
- Sử dụng ít tài nguyên : Bạn không cần nhiều thành phần so với các bộ đếm khác.
- Đầu ra có thể dự đoán : Nó sẽ luôn trải qua cùng một tập hợp các trạng thái theo cùng một thứ tự.
- Dễ giải mã: Mỗi trạng thái đều riêng biệt và dễ giải mã vì sử dụng mã hóa one-hot, chỉ có một đầu ra ở mức cao tại một thời điểm.
- Đầu ra không có trục trặc: Vì chỉ có một flip-flop hoạt động tại một thời điểm nên khả năng xảy ra trục trặc đầu ra thấp hơn, khiến nó đáng tin cậy hơn trong một số ứng dụng nhất định.
Nhược điểm của Ring Counter
- Trạng thái giới hạn : Bạn chỉ có thể duyệt qua số trạng thái bằng số flip-flop trong bộ đếm. Vì vậy, đối với bộ đếm 4 bit, bạn chỉ có thể có bốn trạng thái duy nhất.
- Không dành cho các mẫu phức tạp : Không phù hợp nếu bạn cần một bộ đếm đếm theo các mẫu ngẫu nhiên hoặc không phải nhị phân vì nó bị giới hạn ở mẫu tuần hoàn khi dịch chuyển một giá trị 1 qua các flip-flop.
- Cần Khởi tạo: Bộ đếm vòng phải được khởi tạo đúng cách (thường chỉ với một flip-flop được đặt thành 1) trước khi bắt đầu hoạt động. Nếu không, nó có thể bị kẹt ở trạng thái không hợp lệ.
- Chi phí phần cứng tăng: Khi bạn thêm nhiều flip-flop để tăng số lượng trạng thái, phần cứng cần thiết cũng tăng lên, điều này có thể khiến thiết kế trở nên cồng kềnh đối với các yêu cầu trạng thái lớn.
Ứng dụng của Ring Counter
Bộ đếm vòng được sử dụng khi bạn cần một hệ thống trải qua một tập hợp các trạng thái cụ thể, lặp lại. Ví dụ:
- Tạo chuỗi : Hữu ích khi bạn muốn có một chuỗi có thể dự đoán được, như trong các hệ thống điều khiển đơn giản hoặc mạch thời gian.
- Hệ thống điều khiển : Bộ đếm vòng rất phù hợp cho các thiết bị như bộ ghép kênh hoặc mạch mã hóa, trong đó thứ tự hoạt động cần tuân theo một chu kỳ nhất định.
- Thiết kế đơn giản: Bộ đếm vòng dễ thiết kế và hiểu vì mỗi trạng thái chỉ có một flip-flop được đặt thành 1, giúp việc gỡ lỗi và phân tích trở nên đơn giản.
- Máy trạng thái hữu hạn (FSM): Được sử dụng trong các hệ thống di chuyển qua một tập hợp trạng thái đã biết theo vòng lặp, chẳng hạn như máy bán hàng tự động hoặc bộ điều khiển thang máy.
- Ứng dụng dựa trên thanh ghi dịch chuyển: Bộ đếm vòng là một loại thanh ghi dịch chuyển đặc biệt, do đó chúng được sử dụng ở những nơi cần thanh ghi dịch chuyển để di chuyển dữ liệu.

