Bộ so sánh độ lớn trong mạch logic số
Tìm hiểu cách bộ so sánh độ lớn xác định mối quan hệ giữa các đầu vào nhị phân một cách chính xác.
Bộ so sánh độ lớn là gì?
Bộ so sánh độ lớn là một loại mạch tổ hợp, Về cơ bản nó so sánh hai số nhị phân và xác định độ lớn tương đối của chúng. Nó cho đầu ra cho dù một số lớn hơn số kia, hoặc nhỏ hơn hoặc bằng. Các bộ so sánh này được sử dụng trong các hệ thống kỹ thuật số, chẳng hạn như để phân loại mạng và mạch ra quyết định để xử lý các so sánh số một cách hoàn hảo mà không có bất kỳ lỗi nào.
Mạch hoạt động bằng cách so sánh các bit của hai số bắt đầu từ bit quan trọng nhất (MSB) và di chuyển về phía bit có ý nghĩa nhỏ nhất (LSB). Tại mỗi vị trí bit, hai bit tương ứng của các số được so sánh. Nếu bit trong số đầu tiên lớn hơn bit tương ứng trong số thứ hai, đầu ra A% 3EB được đặt thành 1và mạch ngay lập tức xác định rằng số đầu tiên lớn hơn số thứ hai. Tương tự, nếu bit trong số thứ hai lớn hơn bit tương ứng trong số đầu tiên, đầu ra A<B được đặt thành 1và mạch ngay lập tức xác định rằng số đầu tiên nhỏ hơn số thứ hai.
Nếu hai bit tương ứng bằng nhau, mạch sẽ di chuyển đến vị trí bit tiếp theo và so sánh cặp bit tiếp theo. Quá trình này tiếp tục cho đến khi tất cả các bit đã được so sánh. Nếu tại bất kỳ thời điểm nào trong quá trình so sánh, mạch xác định rằng số đầu tiên lớn hơn hoặc nhỏ hơn số thứ hai, thì quá trình so sánh sẽ kết thúc và đầu ra thích hợp được tạo ra.
Nếu tất cả các bit bằng nhau, mạch sẽ tạo ra đầu ra A = B, cho biết rằng hai số bằng nhau.
Có nhiều cách khác nhau để triển khai bộ so sánh độ lớn, chẳng hạn như sử dụng kết hợp các cổng XOR, AND và ORhoặc bằng cách sử dụng sự sắp xếp xếp tầng của các bộ cộng đầy đủ. Việc lựa chọn triển khai phụ thuộc vào các yếu tố như tốc độ, độ phức tạp và mức tiêu thụ điện năng.
Bộ so sánh cường độ 1 bit
Một bộ so sánh được sử dụng để so sánh hai bit được gọi là bộ so sánh một bit. Nó bao gồm hai đầu vào mỗi đầu vào cho hai số bit đơn và ba đầu ra để tạo ra nhỏ hơn, bằng và lớn hơn giữa hai số nhị phân.
Bảng sự thật cho một bộ so sánh 1 bit được đưa ra dưới đây.
Từ bảng sự thật ở trên, các biểu thức logic cho mỗi đầu ra có thể được thể hiện như sau.
A>B: AB' A<B: A'B A=B: A'B' + AB
Từ các biểu thức trên, chúng ta có thể suy ra công thức sau.
Bằng cách sử dụng các biểu thức Boolean này, chúng ta có thể triển khai một mạch logic cho bộ so sánh này như được đưa ra bên dưới.
Bộ so sánh cường độ 2 bit
Một bộ so sánh được sử dụng để so sánh hai số nhị phân, mỗi số của hai bit được gọi là bộ so sánh độ lớn 2 bit. Nó bao gồm bốn đầu vào và ba đầu ra để tạo ra nhỏ hơn, bằng và lớn hơn giữa hai số nhị phân.
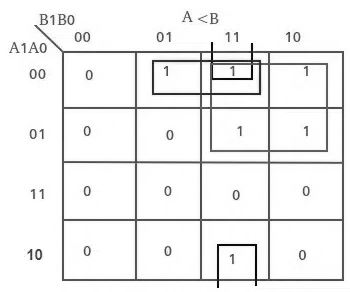
Bảng sự thật cho một bộ so sánh 2 bit được đưa ra dưới đây.
Từ bảng sự thật ở trên, K-map cho từng đầu ra có thể được vẽ như sau.
Bảng sự thật của đầu ra A>B
Bảng sự thật của đầu ra A = B
Bảng sự thật của đầu ra A<B
Từ K-map ở trên, các biểu thức logic cho mỗi đầu ra có thể được biểu thị như sau.
A>B:A1B1' + A0B1'B0' + A1A0B0'A=B: A1'A0'B1'B0' + A1'A0B1'B0 + A1A0B1B0 + A1A0'B1B0' : A1'B1' (A0'B0' + A0B0) + A1B1 (A0B0 + A0'B0') : (A0B0 + A0'B0') (A1B1 + A1'B1') : (A0 Ex-Nor B0) (A1 Ex-Nor B1)A<B:A1'B1 + A0'B1B0 + A1'A0'B0
Bằng cách sử dụng các biểu thức Boolean này, chúng ta có thể triển khai một mạch logic cho bộ so sánh này như được đưa ra bên dưới.
Bộ so sánh cường độ 4 bit
Một bộ so sánh được sử dụng để so sánh hai số nhị phân, mỗi số trong số bốn bit được gọi là bộ so sánh độ lớn 4 bit. Nó bao gồm tám đầu vào, mỗi đầu vào cho hai số bốn bit và ba đầu ra để tạo ra ít hơn, bằng và lớn hơn giữa hai số nhị phân.
Trong bộ so sánh 4 bit, điều kiện của A>B có thể xảy ra trong bốn trường hợp sau.
- Nếu A3 = 1 và B3 = 0
- Nếu A3 = B3 và A2 = 1 và B2 = 0
- Nếu A3 = B3, A2 = B2 và A1 = 1 và B1 = 0
- Nếu A3 = B3, A2 = B2, A1 = B1 và A0 = 1 và B0 = 0
Tương tự, điều kiện cho A<B có thể xảy ra trong bốn trường hợp sau.
- Nếu A3 = 0 và B3 = 1
- Nếu A3 = B3 và A2 = 0 và B2 = 1
- Nếu A3 = B3, A2 = B2 và A1 = 0 và B1 = 1
- Nếu A3 = B3, A2 = B2, A1 = B1 và A0 = 0 và B0 = 1
Điều kiện của A = B chỉ có thể xảy ra khi tất cả các bit riêng lẻ của một số trùng khớp chính xác với các bit tương ứng của một số khác.
Từ các câu lệnh trên, các biểu thức logic cho mỗi đầu ra có thể được thể hiện như sau.
AA, 831331 r: (A3 Ex-Nor 33) A2132 'a (A3 Ex-Nor 133) (A2 Ex-Nor 132) A131 'a (A3 Ex-Nor 33) (A2 ENor132) (Al Ex-Nor 31) A01301
,13: A3'03 a (A3 Ex-Nor 33)A211:12 a (A3 Ex-Nor 83) (A2 Ex-Nor 132)Ar131 a (A3 Ex-Nor 33) (A2 Ex-Nor32) (Al Ex-Nor 131)A0N30
A = B: (A3 Ex-Nor B3) (A2 Ex-Nor 82) (Al Ex-Nor BI) (AO Ex-Nor BO)
Bằng cách sử dụng các biểu thức Boolean này, chúng ta có thể triển khai một mạch logic cho bộ so sánh này như được đưa ra bên dưới.
LƯU Ý: Đối với n- bộ so sánh bit, số lượng kết hợp trong đó Tổng kết hợp = 22n Kết hợp bằng nhau (A = B) = 2n, Kết hợp không bằng = 22n - 2n Lớn hơn (A > B) = Ít hơn ( A < B) kết hợp = (22n - 2n) / 2
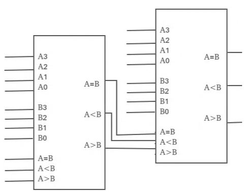
Bộ so sánh xếp tầng
Một bộ so sánh thực hiện thao tác so sánh với nhiều hơn bốn bit bằng cách xếp tầng hai hoặc nhiều bộ so sánh 4 bit được gọi là bộ so sánh xếp tầng. Khi hai bộ so sánh được xếp tầng, các đầu ra của bộ so sánh bậc thấp hơn được kết nối với các đầu vào tương ứng của bộ so sánh bậc cao hơn.
Ứng dụng của bộ so sánh
- Bộ so sánh được sử dụng trong các đơn vị xử lý trung tâm (CPU) và bộ vi điều khiển (MCU).
- Chúng được sử dụng trong các ứng dụng điều khiển trong đó các số nhị phân đại diện cho các biến vật lý như nhiệt độ, vị trí, v.v. được so sánh với giá trị tham chiếu.
- Bộ so sánh cũng được sử dụng làm bộ điều khiển quy trình và để điều khiển động cơ Servo.
- Được sử dụng trong các ứng dụng xác minh mật khẩu và sinh trắc học.
Ưu điểm của bộ so sánh
- Công cụ so sánh rất đơn giản và hiệu quả để so sánh các giá trị nhị phân.
- Ra quyết định nhanh chóng trong Mạch kỹ thuật số.
- Bộ so sánh này có thể dễ dàng tích hợp vào các hệ thống phức tạp như bộ xử lý và đơn vị số học.
- Thiết kế của bộ so sánh là mô-đun, cho phép họ mở rộng các giải pháp để so sánh các số nhiều bit
Nhược điểm của bộ so sánh
- Bộ so sánh có giới hạn bit để so sánh.
- Nó yêu cầu mạch phức tạp hơn cho các bit lớn.
- Mức tiêu thụ điện năng tăng lên khi độ phức tạp của mạch tăng lên.
