
Chốt D là một loại mạch kỹ thuật số có thể lưu trữ một bit thông tin với một đầu vào (D cho dữ liệu/trễ) và tín hiệu cho phép (CLK hoặc EN). Đầu ra của chốt theo đầu vào D khi CLK ở mức cao và giữ nguyên giá trị khi CLK ở mức thấp. Nó có thể được coi như một ô nhớ cơ bản có thể được thiết lập hoặc thiết lập lại bằng đầu vào dữ liệu.
Chốt D từ chốt SR
Chốt trễ (D-Latch) có thể được thiết kế bằng cách sử dụng chốt SR có cổng với một bộ đảo ngược (cổng NOT) được kết nối giữa các đầu vào cho phép có một đầu vào D (Dữ liệu). Nó đảm bảo rằng đồng thời, cả hai đầu vào, tức là S và R, không bao giờ bằng 1, do đó tránh được trạng thái cấm trong chốt SR. Chốt D là chốt quan trọng nhất và phổ biến nhất trong các loại chốt xung nhịp khác. Điều này là do nó yêu cầu số lượng thành phần ít nhất và có nguyên lý hoạt động rất đơn giản.
Có thể tạo chốt D bằng chốt SR. Thực hiện bằng cách kết nối đầu vào D với đầu vào Set (S), not-D với đầu vào Reset (R) và sử dụng tín hiệu xung nhịp để kích hoạt đồng thời cả đầu vào Set và Reset bằng cổng AND. Cấu hình này đảm bảo rằng khi tín hiệu xung nhịp hoạt động, đầu vào D được chuyển đến đầu ra chốt, tạo ra chốt D một cách hiệu quả. Khi đầu vào xung nhịp ở mức thấp, chốt SR ở trạng thái giữ nguyên và giữ nguyên giá trị đã tải trước đó.
Chốt chữ D từ bộ biến tần nối tiếp
Hình 2: Bộ biến tần quay lưng vào nhau như chốt
Việc tạo chốt chữ D từ chốt SR đòi hỏi nhiều linh kiện hơn, do đó, một cách khác để tạo chốt chữ D được sử dụng rộng rãi trong ngành công nghiệp điện tử.
Trong Hình 2(a), bộ biến tần back-to-back được hiển thị có thể lưu trữ 1 bit dữ liệu. Tuy nhiên, nếu không có bất kỳ sửa đổi nào, không có cách nào để thay đổi dữ liệu. Để hiểu điều này, hãy giả sử rằng trong Hình 2(b), chốt bằng cách nào đó đã lưu trữ logic 1 ở đầu ra.
Trong Hình 2(c), để thay đổi logic, một công tắc được đưa vào cổng của bộ biến tần thứ hai. Chúng ta hãy gọi công tắc này là công tắc dữ liệu. Công tắc dữ liệu này đang cố gắng ép 1 từ 0 tại cổng của bộ biến tần thứ hai. Tuy nhiên, bộ biến tần thứ nhất đang cố gắng duy trì logic 0 tại cùng một nút và công tắc đang ép logic 1. Vì vậy, có một sự tranh chấp rõ ràng. Công tắc và NMOS của bộ biến tần thứ nhất đang tạo ra một đường dẫn có điện trở rất thấp từ nguồn cung cấp đến đất, có thể dẫn đến dòng điện lớn.
Trong Hình 2(d), để ngắt đường dẫn dòng điện, một công tắc được đưa vào giữa đầu ra của bộ biến tần thứ nhất và cổng của bộ biến tần thứ hai. Do đó, công tắc này phải được ngắt kết nối trước rồi mới kết nối công tắc dữ liệu.

Hình 3: Sửa đổi chốt dựa trên biến tần lưng-đối-lưng thành chốt chữ D có thể sử dụng được
Chúng ta đã thấy trong Hình 2 cách dữ liệu có thể được tải vào chốt dựa trên bộ biến tần back-to-back. Chúng ta sẽ thêm một bộ biến tần nữa trước công tắc dữ liệu như thể hiện trong Hình 3. Trong Hình 3, công tắc dữ liệu được biểu diễn bằng TG2. TG là viết tắt của công tắc cổng truyền . Mạch hoàn chỉnh của chốt D được trình bày trong Hình 3 (bên phải).
Chốt D dựa trên MUX (bộ ghép kênh)
Hình 4: Một chốt D dựa trên bộ ghép kênh
Một cách khác để hiểu nguồn gốc của chốt D là coi nó như một bộ ghép kênh. Đầu ra của bộ ghép kênh 2 x 1 có thể được đưa trở lại một trong các đầu vào của nó (CLK=0). Đầu vào khác (CLK=1) có thể là đầu vào D. Mạch bên trong giống với chốt dựa trên bộ biến tần nối lưng với lưng.
Bảng chân lý của chốt D
Bảng kích thích của chốt D được đề cập ở trên. D là đầu vào, và Q là trạng thái hiện tại, Qn + 1 là trạng thái tiếp theo đầu ra. Qn+1 sẽ luôn là 0 khi D là 0 và Qn+1 sẽ luôn là 1 khi D là 1, bất kể trạng thái hiện tại của flip flop. X có nghĩa là không quan tâm.
Chốt D cũng được gọi là chốt trong suốt, vì khi CLK cao, đầu ra Q sẽ trong suốt với đầu vào D. Điều này có nghĩa là bất kỳ thay đổi nào trong D sẽ được phản ánh trong Q ngay lập tức. Tuy nhiên, điều này cũng có nghĩa là bất kỳ trục trặc nào ở đầu vào D sẽ xuất hiện ở đầu ra trong thời gian CLK cao, điều này có thể gây ra trục trặc hoặc lỗi.
D Flip-Flop là gì?
Để tránh vấn đề trục trặc trong các chốt D kích hoạt mức, có thể sử dụng một flip-flop D thay thế. Flip-flop AD là một mạch chỉ cập nhật đầu ra của nó trên cạnh (tăng hoặc giảm) của tín hiệu xung nhịp, thay vì trên mức (cao hoặc thấp) của tín hiệu xung nhịp. Điều này đảm bảo rằng Q đầu ra chỉ thay đổi tại các thời điểm rời rạc và có thể dự đoán được. Tất cả các thay đổi tín hiệu xảy ra trong trạng thái ổn định của tín hiệu xung nhịp, nơi có thể xảy ra trục trặc. Vì vậy, cạnh của xung nhịp là thời điểm tốt nhất để bắt và khóa đầu vào cuối cùng.
Flip Flop D (hoặc Delay) đóng vai trò là một thành phần bộ nhớ điện tử vì đầu ra của nó được giữ lại trừ khi cố ý sửa đổi bằng tín hiệu xung nhịp cạnh tăng. Flip Flop này cũng được sử dụng để trì hoãn sự thay đổi tín hiệu đầu ra của nó (Q) cho đến khi cạnh tăng tiếp theo của tín hiệu đầu vào thời gian xung nhịp diễn ra.
Cấu trúc của D Flip-flop (Master-slave)
Hình 5: Một cạnh âm kích hoạt D Flip-Flop
Có thể tạo ra AD flip-flop bằng cách kết nối hai chốt D nối tiếp, với tín hiệu xung nhịp đảo ngược (như thể hiện trong Hình 5). Chốt đầu tiên được gọi là chốt chính và chốt thứ hai được gọi là chốt phụ. Chốt chính bắt đầu vào D khi CLK ở mức cao và chuyển nó đến chốt phụ CLK ở mức thấp. Bây giờ bất kỳ trục trặc nào ở đầu vào sẽ không ảnh hưởng đến đầu ra của phụ vì chốt chính bị vô hiệu hóa. Điều này được nhận thấy khi chốt đang cập nhật đầu ra Q của nó trên cạnh giảm dần của xung nhịp và giữ cho đến cạnh giảm dần tiếp theo của xung nhịp.
Hình 6: Một cạnh dương kích hoạt D Flip-Flop
Có thể tạo ra một flip-flop D kích hoạt cạnh dương bằng cách kết nối một bộ biến tần khác sau CLK hoặc bằng cách sắp xếp lại bộ biến tần hiện có (hiển thị trong Hình 6)
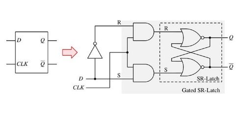
D Flip-Flop sử dụng SR Flip-Flop hoặc chốt
D flip-flop có thể được tạo ra bằng SR Flip-Flop bằng cách kết nối một cổng NOT từ chân SET đến chân RESET như minh họa trong hình trên. Điều này tránh được trạng thái cấm trong SR flip-flop và đảm bảo rằng đầu vào S và R luôn ngược nhau. Mặc dù đây là một cách để tạo D Flip-Flop từ SR Flip-Flop, nhưng số lượng cổng cần dùng lớn hơn so với cấu trúc master-slave dựa trên MUX.
Flip-flop cấp D của bóng bán dẫn
Hình 7: Sơ đồ mức transistor của D Flip-Flop
Sơ đồ mức transistor của D Flip-Flop kích hoạt cạnh dương được thể hiện trong Hình 7. Các chốt dựa trên cổng truyền (Hình 4) được sử dụng để tạo ra D flip-flop (Hình 7). Đây là một trong những phiên bản phổ biến nhất của D flip-flop được sản xuất thương mại. Có thể thêm các đầu vào bổ sung như PRESET (PRE) và CLEAR (CLR) để có thêm chức năng.

Hình 8: Sơ đồ bên trong của mạch tích hợp 74HC74 từ Texas Instruments (Nguồn - Texas Instruments Inc.)
Sơ đồ mức transistor của mạch tích hợp thương mại 74HC74 từ Texas Instruments được thể hiện trong Hình 8. Sơ đồ này tương tự như sơ đồ thể hiện trong Hình 7 với các đầu vào bổ sung như PRE và CLR. Đầu vào PRE ở mức thấp đang hoạt động ở đây. Nghĩa là khi PRE = 1, dữ liệu được lưu trữ trong chốt là 1, dẫn đến đầu ra Q = 1. Điều này được sử dụng để đặt điều kiện ban đầu cho flip-flop. Để PRE ảnh hưởng đến trạng thái bên trong, nó không cần phải đợi cạnh xung nhịp. CLR xóa trạng thái bên trong và đặt đầu ra thành 0. Điều này cũng không phụ thuộc vào cạnh xung nhịp.
Ứng dụng của D Flip-Flop
- Flip-flop D rất linh hoạt trong các hệ thống kỹ thuật số, đóng vai trò trong mạch nhớ, tạo thanh ghi, bộ đếm và phát triển các hệ thống đồng bộ. Nó được sử dụng để lưu trữ dữ liệu, cho phép định cỡ thanh ghi linh hoạt, đếm sự kiện và đóng góp vào thiết kế hệ thống đồng bộ.
- D Flip Flop đóng vai trò là thành phần cơ bản để xây dựng các thanh ghi dịch chuyển. Khi tám D Flip Flop được liên kết tuần tự, ví dụ, một byte (8 bit) dữ liệu có thể được giữ lại sau 8 chu kỳ xung nhịp.
- Tạo một mạch chia đôi cơ bản bao gồm liên kết trở lại đầu ra không phải Q của D Flip Flop với đầu vào D của nó. Cấu hình này dẫn đến đầu ra D thay đổi trạng thái ở một nửa tần số của tín hiệu xung nhịp. Thông qua kết nối liên tiếp của các D flip flop và thiết kế cẩn thận các cổng logic tổ hợp bên ngoài, có thể xây dựng một bộ đếm thời gian đếm ngược.
.jpg)
