
Chốt S-R (Hướng dẫn nhanh)
Trong hướng dẫn này, bạn sẽ tìm hiểu cách thức hoạt động, bảng chân lý của nó và cách xây dựng một bảng với các cổng logic khác nhau.
Chốt SR là gì?
Trước khi bắt đầu với chốt SR, bạn cần biết chốt là gì. Chốt là một mạch không đồng bộ (không cần tín hiệu xung nhịp để hoạt động) và có hai trạng thái ổn định, CAO (“1”) và THẤP (“0”), có thể được sử dụng để lưu trữ dữ liệu nhị phân. Nhiều mạch tuần tự và thiết bị lưu trữ lớn hơn, chẳng hạn như thanh ghi dịch , sử dụng chốt làm khối xây dựng chính.
Chốt đơn giản nhất là chốt Set-Reset (SR). Bạn có thể chế tạo một chốt như vậy bằng cách kết nối hai cổng NOR với một vòng phản hồi chéo.
Đường dẫn phản hồi này rất quan trọng để lưu trữ một bit dữ liệu miễn là mạch được cấp nguồn. Trong mạch này, cổng trên có đầu vào R và đầu ra chính Q, trong khi cổng dưới có đầu vào S và đầu ra đảo ngược Q̅.
Chốt SR hoạt động như thế nào?
Trước hết, chúng ta hãy định nghĩa bảng chân lý của chốt S-R:
Bây giờ, hãy cùng phân tích cách thức hoạt động của chốt SR bằng cách sử dụng bảng chân lý và mạch với cổng NOR. Lưu ý rằng cổng NOR chỉ cho kết quả "1" khi cả hai đầu vào đều bằng "0", với bất kỳ kết hợp đầu vào nào khác, đầu ra sẽ là "0".
Bạn có thể thấy trong bảng chân lý rằng khi cả hai đầu vào S và R đều bằng "0", đầu ra Q vẫn giữ nguyên. Đây là chức năng bộ nhớ của chốt SR vì nó lưu lại giá trị trước đó. Giả sử đầu ra Q là "1" ở trạng thái hiện tại. Nếu bây giờ bạn đặt cả hai đầu vào bằng "0", thì đầu ra sẽ vẫn là "1" như sau:
Vậy, làm thế nào để "Đặt lại" đầu ra Q về "0"? Như bạn có thể thấy trong bảng chân trị, bạn cần "1" ở đầu vào R và "0" ở đầu vào S.
Tuy nhiên, nếu bạn muốn "Đặt" giá trị "1" ở đầu ra Q, chỉ cần làm theo bảng chân lý và đặt giá trị "1" ở đầu vào S và giá trị "0" ở đầu vào R.
Cuối cùng, đầu vào S và R không bao giờ được bằng "1" cùng lúc vì cổng NOR chỉ cho kết quả "1" khi cả hai đầu vào đều bằng "0", nhưng nếu một đầu vào là "1", thì đầu ra sẽ là "0". Do đó, nếu S và R là "1", đầu ra của cả hai chốt sẽ đồng thời bằng "0", điều này vi phạm nguyên lý hoạt động của chốt này.
SR-LATCH VỚI CỔNG NAND
Chốt SR cũng có thể được xây dựng bằng cách sử dụng hai cổng NAND:
Trong mạch trên, bạn có thể nhận thấy một số khác biệt nhỏ so với mạch dùng cổng NOR. Bây giờ, các đầu vào đã được hoán đổi, với đầu vào S ở cổng trên và đầu vào R ở cổng dưới. Ngoài ra, các đầu vào đã bị phủ định.
Nó hoạt động theo cùng một cách như với cổng NOR, chỉ khác là các đầu vào được đảo ngược. Dưới đây là bảng chân trị:
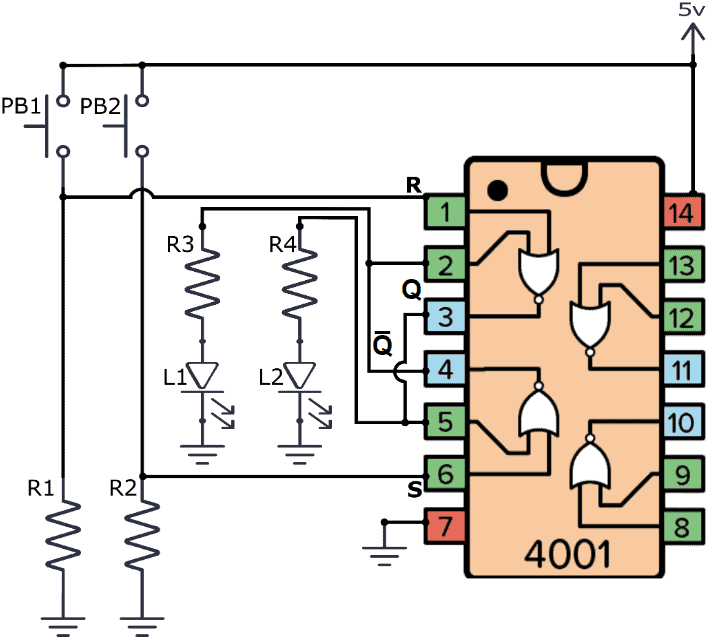
Mạch ví dụ
Ví dụ thực tế, bạn có thể chế tạo chốt SR bằng chip CD4001 . Dưới đây, bạn có thể thấy chip CD4001 có bốn cổng NOR bên trong, rất lý tưởng cho ứng dụng này.

Mạch hoạt động như sau: khi nhấn nút PB2, đèn LED L2 sẽ sáng và duy trì trạng thái sáng ngay cả sau khi thả nút PB2, trong khi đèn LED L1 vẫn tắt. Đèn LED L2 sẽ tắt khi nhấn nút PB1, trong khi đèn LED L1 sẽ sáng và duy trì trạng thái sáng ngay cả sau khi thả nút PB1. Để lắp ráp mạch trên, bạn cần:
- Chip CD4001
- Hai nút nhấn (PB1 và PB2)
- Hai đèn LED
- Hai điện trở 10 kΩ (R1 và R2)
- Hai điện trở 330 Ω (R3 và R4)




