Điện trở tông đơ là gì: Làm việc và các ứng dụng của nó
Khám phá điện trở tông đơ! Tìm hiểu cách các bộ phận nhỏ này tinh chỉnh điện trở để có hiệu suất điện tử hoàn hảo.
Điện trở điều chỉnh, còn được gọi là trimpot hoặc điện trở có thể điều chỉnh, cho phép bạn tinh chỉnh mức điện trở trong mạch. Các điện trở này thường được sử dụng để hiệu chuẩn trong các ứng dụng như bộ khuếch đại và radio, đảm bảo đầu ra của mạch gần với mức tối ưu. Trong bài viết này, chúng ta sẽ thảo luận mọi thứ bạn cần biết về linh kiện nhỏ tuyệt vời này, điện trở điều chỉnh, bao gồm nguyên lý hoạt động, phương pháp sản xuất và cách sử dụng nó trong các dự án của riêng bạn.
Điện trở điều chỉnh là gì? / Định nghĩa?
Điện trở điều chỉnh (trimmer resistor) là loại điện trở có giá trị điện trở có thể được điều chỉnh hoặc "tinh chỉnh" đến một giá trị chính xác bằng cách xoay vít. Loại điện trở này thường được sử dụng trong các mạch điện vì hiệu suất của nó có thể được kiểm soát. Việc điều chỉnh được thực hiện bằng cách sử dụng một dụng cụ như tua vít để xoay núm hoặc bộ điều khiển trên thiết bị. Dưới đây là ký hiệu của một điện trở điều chỉnh.
Nhìn chung, các loại máy cắt tỉa được sản xuất dưới dạng các đoạn xoay đơn hoặc đa vòng và có thể được điều chỉnh từ phía trên hoặc bên cạnh. Máy cắt tỉa đa vòng tương thích với thiết bị kiểm tra tự động (ATE) và cũng có khả năng chống xoay để ngăn ngừa những thay đổi điều chỉnh ngoài ý muốn.
Điện trở điều chỉnh thường được sử dụng trong các ứng dụng yêu cầu điều chỉnh trong quá trình sản xuất hoặc để bù đắp ảnh hưởng của dung sai sản xuất trong suốt vòng đời của sản phẩm.
Sơ đồ chân của điện trở điều chỉnh
Điện trở này gồm ba cực, mỗi cực và chức năng của nó được mô tả trong sơ đồ chân cắm bên dưới.

- Chân 1 (ngược chiều kim đồng hồ): Chân này chỉ được kết nối với một đầu cực của đường mạch điện trở.
- Chân 2 (Cần gạt): Chân này di chuyển để nhận điện áp thay đổi.
- Chân 3 (CW): Chân này dễ dàng kết nối với các đầu cực còn lại của mạch điện trở.
Tính năng và thông số kỹ thuật
Các đặc tính và thông số kỹ thuật của điện trở điều chỉnh được trình bày dưới đây.
- Điện trở điều chỉnh (trim resistor) là loại điện trở gốm kim loại/nhiều vòng/kín dùng trong công nghiệp.
- Thiết kế con dấu hình chữ V
- Các loại bao bì có sẵn là dạng cuộn băng.
- Loại phần cứng hiện đang được cài đặt.
- Tuân thủ các yêu cầu của RoHS.
- Giá trị điện trở điển hình của loại điện trở này nằm trong khoảng từ 10 ôm đến 2 megaôm.
- Sai số cho phép của điện trở là ±10%.
- Điện trở cách điện là 500Vdc.
- Dải điện áp cách điện từ 350 – 900VAC.
- Quãng đường di chuyển hiệu quả là 25 vòng.
- Phạm vi nhiệt độ hoạt động từ -55℃ đến +125℃
Cấu tạo của một điện trở điều chỉnh.
Cấu trúc cơ bản của điện trở bao gồm một dải vật liệu dẫn điện di chuyển khi quay. Chuyển động này làm thay đổi điện trở của điện trở bằng cách tăng hoặc giảm lượng tiếp xúc giữa dây dẫn và bề mặt mà điện trở đặt lên. Điện trở thay đổi này có thể được sử dụng để điều khiển các tín hiệu điện hoặc các thành phần trong mạch điện.
Điện trở bao gồm ba bộ phận chính:
Nhà ga cố định
Đầu nối này thường được cố định và không di chuyển khi điều chỉnh điện trở. Đầu nối này kết nối với phần bên ngoài của mạch cung cấp nguồn điện hoặc tín hiệu điện.
Trạm trung chuyển
Đầu nối này được gắn vào một trục điều chỉnh có thể xoay để tinh chỉnh. Nó cũng kết nối với một phần bên ngoài của mạch điện nhận nguồn điện hoặc tín hiệu từ các thành phần khác trong mạch.
Các yếu tố kháng cự
Bộ phận này được gắn bên trong một điện trở và nối hai đầu cực của điện trở với nhau. Nó tạo ra điện trở giữa hai đầu cực và điện trở này có thể được điều chỉnh bằng cách xoay đầu cực di động.
Các thiết bị này thường nhỏ và có điện trở cao. Hầu hết được gắn trên bề mặt, mặc dù một số mẫu vẫn giữ thiết kế xuyên lỗ. Chúng có thể được bịt kín để sử dụng trong môi trường khắc nghiệt hoặc được bao bọc trong vỏ bảo vệ để ngăn chặn những sửa đổi không mong muốn.
Điện trở điều chỉnh có nhiều loại, mỗi loại có kích thước, giá trị điện trở, công suất định mức và khả năng chống chịu môi trường khác nhau.
Các loại điện trở điều chỉnh
Các loại điện trở điều chỉnh phổ biến nhất như sau:
Điện trở điều chỉnh một vòng
Loại điện trở này có một vít điều chỉnh có thể xoay khoảng 300 độ theo mỗi hướng để điều chỉnh giá trị điện trở. Nó có dải điện trở từ 10Ω đến 1MΩ và có thể điều chỉnh với độ chính xác đến 0,01Ω. Loại điện trở này có thể chịu được công suất tối đa 1 watt.

Điện trở điều chỉnh nhiều vòng
Các máy cắt cỏ dạng quay này hoạt động tương tự như máy cắt cỏ một rôto nhưng có nhiều vòng quay, thường là năm vòng, để cho phép phạm vi điều chỉnh trở kháng rộng hơn (50Ω-1MΩ). Chúng cũng cho phép điều chỉnh chính xác hơn xuống đến 0,01Ω nhưng chỉ xử lý được công suất 0,25 watt, khiến chúng yếu hơn so với máy cắt cỏ một rôto.

Máy cắt cỏ gắn trên bề mặt
Điện trở gắn bề mặt là một loại biến trở điều chỉnh được thiết kế đặc biệt để gắn trên bề mặt của các bảng mạch in. Các điện trở này được sử dụng trong các ứng dụng yêu cầu điều chỉnh điện áp hoặc dòng điện, và kích thước nhỏ gọn của chúng làm cho chúng phù hợp với các thiết bị điện nhỏ như điện thoại di động.

Thông thường, các điện trở này có ba đầu dây, được nối với ba cực của biến trở. Ngoài ba đầu dây này, còn có ba đầu dây khác trên điện trở có thể được nối vào mạch, dẫn đến sáu cách đấu nối khác nhau, nhưng chỉ có một cách cho giá trị điện trở chính xác.
Nguyên lý hoạt động của điện trở điều chỉnh.
Nguyên lý hoạt động của điện trở rất đơn giản. Bản thân điện trở là một lớp màng mỏng được phủ trên một chất cách điện. Nếu tiếp điểm của lớp màng mỏng này được ép vào đầu nối bên ngoài, dòng điện có thể chạy qua. Tuy nhiên, nếu không được ép, dòng điện không thể chạy qua.
Điện trở điều chỉnh được sử dụng như thế nào?
Điện trở điều chỉnh thường được sử dụng khi giá trị điện trở chính xác của một linh kiện không được biết, hoặc không thể xác định giá trị điện trở chính xác trước khi lắp ráp và cấp nguồn cho mạch. Ví dụ, nếu bạn thêm một bộ khuếch đại vào mạch, bạn có thể cần điều chỉnh điện trở của điện trở điều chỉnh để loại bỏ nhiễu hoặc can nhiễu.
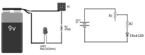
Sơ đồ mạch điện trở điều chỉnh
Nhìn chung, loại điện trở này là điện trở biến đổi và có dạng chiết áp gọi là trimpot. Linh kiện này có ba cực, nhưng có thể được sử dụng như một điện trở hai cực bằng cách nối thêm một cần gạt vào một trong hai cực còn lại, hoặc nếu không, chỉ cần hai cực là đủ.
Sơ đồ mạch LED đơn giản sử dụng điện trở điều chỉnh (hoặc điện trở trimmer) được thể hiện bên dưới. Chỉ với hai cực, điện trở này đóng vai trò là chân gạt và chân ngoài hoạt động như một biến trở, hay điện trở điều chỉnh lưỡng cực. Do đó, trong mạch này, cần sử dụng một biến trở để thay đổi giá trị điện trở thay vì một mạch chia điện áp. Vì vậy, trong mạch này, điện trở điều chỉnh được sử dụng như một điện trở điều chỉnh lưỡng cực.

Các linh kiện điện tử thiết yếu cho mạch này bao gồm một pin, một điện trở biến đổi, một điện trở dự phòng và một đèn LED. Mạch có thể được kết nối như sau bằng cách sử dụng các linh kiện này.
Trong mạch điện trên, khi ta xoay biến trở cho đến khi điện trở giảm, dòng điện tối đa sẽ được cung cấp cho LED. Do đó, một điện trở phụ được mắc nối tiếp với biến trở để điều khiển dòng điện đến LED. Thông thường, biến trở có giá trị điện trở từ 0Ω đến giá trị tối đa của nó.
Ví dụ, với đèn LED đỏ sử dụng pin 9V và điện áp phân cực Vf = 2V, nếu biến trở được đặt ở mức 50 ohms, dòng điện I = 7V/50Ω = 140mA, cao hơn nhiều so với ngưỡng 20 đến 30mA cho đèn LED. Tương tự, nếu biến trở được đặt ở mức 0 ohms và không sử dụng điện trở dự phòng, đèn LED sẽ tắt.
Sức mạnh
Ưu điểm của điện trở điều chỉnh như sau:
- Ưu điểm chính của các điện trở này là chúng cung cấp độ chính xác cao.
- Kích thước nhỏ gọn và khả năng tùy chỉnh cao.
- Có thể xác định được giá trị điện trở chính xác.
- Lỗi điện trở cao
- Điện trở có thể được điều chỉnh trong khi mạch đang hoạt động.
- Nó có khả năng chịu được nhiệt độ cao và có tuổi thọ sử dụng lâu dài.
- Không cần dụng cụ đặc biệt nào để điều chỉnh, và chi phí của điện trở điều chỉnh thấp hơn so với các loại điện trở điều chỉnh khác.
sự yếu đuối
Những nhược điểm của điện trở điều chỉnh như sau:
- Những thiết bị này không phù hợp cho các ứng dụng công suất cao, vì chúng thường chỉ tiêu thụ dưới 1 watt điện năng.
- Việc điều chỉnh chỉ nên được thực hiện bởi nhân viên được đào tạo, vì việc điều chỉnh nhiều lần có thể làm hỏng điện trở.
- Hơn nữa, không có chức năng khóa giá trị điện trở sau khi đã điều chỉnh.
- Một nhược điểm khác là nó chỉ có thể được điều chỉnh thủ công bằng tua vít, điều này có thể không tiện lợi bằng việc sử dụng các nút điều khiển trên bảng điều khiển.
Sử dụng điện trở điều chỉnh.
Các ứng dụng của điện trở điều chỉnh như sau:
- Loại chiết áp điều chỉnh phổ biến nhất là chiết áp điều chỉnh một vòng quay vì kích thước nhỏ gọn và dễ sử dụng.
- Biến trở điều chỉnh (trimpot) có thể được sử dụng để điều chỉnh độ sáng đèn, điều khiển âm lượng trên thiết bị âm thanh hoặc các chức năng khác yêu cầu điện trở có thể điều chỉnh trong mạch.
- Các thiết bị này được sử dụng như bộ chia điện áp điều chỉnh được và có rất nhiều ứng dụng. Ví dụ, trong các bộ thu tín hiệu điện tử cho tivi, khi kênh thay đổi, bộ tạo tín hiệu sẽ gửi điện áp đến bộ thu.
- Một ứng dụng khác là trong các thiết bị âm thanh như dàn âm thanh nổi và radio. Điện trở này cho phép người dùng điều chỉnh tần số âm trầm hoặc âm bổng để đạt được âm thanh mong muốn.
- Nó cũng được sử dụng trong các thiết bị y tế, chẳng hạn như máy lọc máu, để đo chính xác mức chất lỏng bên trong thiết bị.
- Trong các ứng dụng tần số vô tuyến (RF), các thiết bị này được sử dụng để điều chỉnh tần số cộng hưởng của cuộn cảm và tụ điện. Chúng cũng có thể được sử dụng để điều chỉnh độ khuếch đại hoặc độ lệch pha của bộ khuếch đại và bộ dao động.
- Nó cũng có thể được sử dụng để khớp các giá trị trở kháng trong đường truyền, chẳng hạn như trong bộ nguồn và cáp.
Như vậy, đây là tổng quan về điện trở điều chỉnh. Các điện trở này đôi khi được gọi là chiết áp điều chỉnh, trimpot, chiết áp có thể điều chỉnh hoặc điện trở biến đổi. Nói chung, một con vít nhỏ trên điện trở được sử dụng để điều chỉnh giá trị điện trở. Các linh kiện này là các thiết bị được hiệu chuẩn, do đó phạm vi điện trở thường rất hẹp và có thể được điều chỉnh rất chính xác trong quá trình điều chỉnh.
