FinFET là gì? Ưu và nhược điểm của FinFET là gì?
Bài viết này giới thiệu về FinFET, cải tiến về bóng bán dẫn 3D giúp tăng tốc độ chip đồng thời giảm mức tiêu thụ điện năng.
FinFET là một quy trình thiết kế bóng bán dẫn nhằm khắc phục loại hiệu ứng kênh ngắn tệ nhất mà bóng bán dẫn gặp phải, đồng thời cho phép chip đạt được hiệu suất cao hơn với chi phí thấp hơn.
Trong suốt lịch sử thiết kế mạch tích hợp kể từ bước đột phá trong chất bán dẫn, Định luật Moore - số lượng bóng bán dẫn trên một miếng silicon tăng gấp đôi sau mỗi hai năm - vẫn không đổi.
Số lượng bóng bán dẫn trên các bộ vi xử lý tiên tiến ngày nay lên đến hàng chục tỷ, khi các nhà máy đúc phát triển các nút quy trình ngày càng tiên tiến để đáp ứng nhu cầu của người tiêu dùng. Con số này khác xa so với các bộ vi xử lý vào giữa những năm 1970, vốn chỉ có vài nghìn bóng bán dẫn, vốn là công nghệ tiên tiến nhất vào thời điểm đó.
Một trong những xu hướng công nghệ then chốt thúc đẩy ngành công nghiệp bán dẫn và hiện thực hóa các chip ngày nay là việc áp dụng quy trình FinFET. Một công nghệ đầy hứa hẹn khác là transistor cổng-to-to-to-to (GAA). Công nghệ này cung cấp khả năng ghép nối điện dung đáng kể nhất giữa cổng và kênh. Vấn đề với GAAfinFET là nó chỉ là một giải pháp tạm thời. Nó có thể chỉ tồn tại trong vài thập kỷ. Tuy nhiên, nó có khả năng sẽ là sự thay thế trong tương lai cho FinFET, ít nhất là cho đến khi ai đó đưa ra một kiến trúc transistor hoàn toàn mới.
1. FinFET là gì?
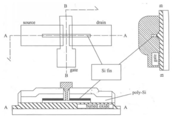
FinFET, còn được gọi là Fin Field Effect Transistor, là một loại Transistor bán dẫn oxit kim loại bổ sung mới. Người phát minh ra công nghệ này là Giáo sư Hu Zhengming của Đại học California, Berkeley.
Sự khác biệt chính giữa cấu trúc FinFeT và MOSFET phẳng là kênh dẫn của nó được tạo thành từ các cánh tản nhiệt cao và mỏng nhô ra khỏi lớp nền cách điện. Điều khiển dòng điện phụ trợ, cấu trúc hình cánh tản nhiệt này làm tăng diện tích bề mặt cổng xung quanh kênh dẫn và tăng cường khả năng điều khiển cổng trên kênh dẫn, có thể giảm thiểu hiệu ứng kênh dẫn ngắn trong các thiết bị phẳng, cải thiện đáng kể khả năng điều khiển mạch và giảm dòng rò rỉ, đồng thời rút ngắn đáng kể chiều dài cổng của transistor. Nhờ đặc tính này, FinFeT không cần kênh dẫn pha tạp cao, do đó có thể giảm thiểu hiệu ứng tán xạ của các ion tạp chất và cải thiện độ linh động của hạt tải điện trong kênh dẫn.

Đặc điểm chính của FinFET là vùng kênh là một chất bán dẫn hình vây được bao quanh bởi cổng.
Chiều dài của vây dọc theo hướng nguồn-thoát là chiều dài kênh.
Cấu trúc bọc cổng tăng cường khả năng điều khiển cổng và cung cấp khả năng điều khiển điện tốt hơn qua kênh, do đó làm giảm dòng điện rò rỉ và ngăn chặn các hiệu ứng kênh ngắn.
2. Các loại FinFET khác nhau
Có nhiều loại FinFET và mỗi loại FinFET có đặc tính điện khác nhau.
Sau đây sẽ giới thiệu theo loại chất nền, hướng của kênh, số lượng cổng và cấu trúc của cổng. SOI FinFET và Bulk FinFET.
Theo nền tảng FinFET, FinFET có thể được chia thành hai loại. Một là FinFET SOI và loại còn lại là FinFET khối.
FinFET được hình thành trên nền silicon khối. Do quy trình sản xuất khác nhau, nền silicon khối có ưu điểm là mật độ khuyết tật thấp và chi phí thấp hơn so với nền SOI.
Ngoài ra, do độ dẫn nhiệt thấp của lớp oxit chôn trong chất nền SOI nên hiệu suất tản nhiệt của chất nền silicon khối cũng tốt hơn so với chất nền SOI.

FinFET khối, FinFET SOI có điện trở ký sinh và điện dung ký sinh tương tự nhau , do đó có thể cung cấp hiệu suất công suất tương tự ở cấp độ mạch. Tuy nhiên, FinFET pha tạp vây nhẹ trên đế SOI có điện dung tiếp giáp thấp hơn, độ linh động cao hơn và hiệu suất điện của điện áp tăng cao hơn so với FinFET Buk.
3. FinFET và bóng bán dẫn phẳng (ví dụ, MOSFET)
Các nhà thiết kế chọn sử dụng thiết bị FinFET thay vì các bóng bán dẫn phẳng truyền thống như MOSFET vì một số lý do.
Tăng sức mạnh tính toán đồng nghĩa với việc tăng mật độ tính toán. Tất nhiên, cần nhiều bóng bán dẫn hơn để đạt được điều này, dẫn đến kích thước chip lớn hơn. Tuy nhiên, vì lý do thực tế, việc giữ diện tích gần như không đổi là rất quan trọng.
Một cách để tăng thêm sức mạnh tính toán là thu nhỏ kích thước bóng bán dẫn, nhưng khi kích thước bóng bán dẫn giảm, khoảng cách giữa cực máng và cực nguồn sẽ làm giảm khả năng điều khiển dòng điện trong vùng kênh dẫn của cực cổng. Do đó, MOSFET phẳng chịu ảnh hưởng của hiệu ứng kênh dẫn ngắn.
Tóm lại, các thiết bị FinFET thể hiện khả năng hoạt động kênh ngắn vượt trội, thời gian chuyển mạch ngắn hơn và mật độ dòng điện cao hơn so với các công nghệ MOSFET phẳng thông thường.
4. Ưu điểm và nhược điểm của FinFET
FinFET có một số ưu điểm chính so với các công nghệ bóng bán dẫn khác khiến chúng trở nên lý tưởng cho các ứng dụng đòi hỏi công suất và hiệu suất cao hơn:
- Kiểm soát kênh tốt hơn;
- Ức chế hiệu ứng kênh ngắn;
- Tốc độ chuyển mạch nhanh hơn;
- Dòng thoát cao hơn;
- Điện áp chuyển mạch thấp hơn;
- Tiêu thụ điện năng thấp hơn.
Tất nhiên, chúng cũng có những nhược điểm. Một số nhược điểm bao gồm:
- Ngưỡng điện áp khó kiểm soát;
- Hồ sơ ba chiều dẫn đến hiệu ứng ký sinh cao hơn;
- Điện dung rất cao;
- Chi phí cao.
.jpg)
