Máy băm | Các loại máy băm | Ứng dụng của máy băm
Bài viết này tìm hiểu về bộ chuyển đổi DC-DC kiểu băm xung (chopper), mô tả chi tiết các loại và ứng dụng phổ biến của nó trong lĩnh vực điện tử công suất
Mạch băm xung (Chopper)
Mạch băm xung là một thiết bị chuyển đổi dòng điện một chiều (DC) không đổi thành dòng điện một chiều (DC) thay đổi. Trong mạch băm xung, một thyristor được sử dụng để bật nguồn cấp cho tải trong một khoảng thời gian nhất định, sau đó tắt nguồn trong một khoảng thời gian nhất định khác. Chu kỳ này được lặp lại. Thyristor hoạt động như một công tắc tốc độ cao.

Tín hiệu mở cổng thyristor được đưa vào, và tín hiệu đóng cổng thyristor được tạo ra thông qua việc chuyển mạch cưỡng bức. Điện áp trên tải có thể được điều khiển bằng cách thay đổi thời gian mở và đóng.
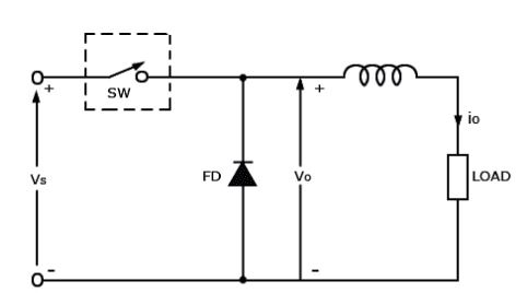
Nguyên lý hoạt động của máy băm xung.
Công tắc băm xung là một công tắc bán dẫn bật/tắt tốc độ cao, kết nối nguồn cấp với tải và ngắt tải khỏi nguồn cấp ở tốc độ cao. Trong pha Ton, công tắc băm xung BẬT, và điện áp tải bằng điện áp nguồn Vs. Trong pha Toff, dòng điện cắt chạy qua điốt tự do (FWD), gây ra hiện tượng ngắn mạch tại các đầu cực tải bởi FWD, và điện áp tải trở thành 0 trong pha Toff. Bằng cách này, một điện áp DC được tạo ra bởi công tắc băm tại các đầu cực tải. Trong pha Ton, dòng điện tải tăng lên, trong khi trong pha Toff, dòng điện tải giảm xuống.

Có hai loại máy chế biến thực phẩm:
- Máy băm tăng áp
- Máy băm giảm áp
1. Máy băm tăng áp
Mạch chuyển mạch có điện áp đầu ra lớn hơn điện áp đầu vào được gọi là mạch chuyển mạch tăng áp. Mạch này được thiết kế sao cho điện áp đầu ra tối thiểu bằng điện áp đầu vào. Điện áp đầu ra có thể được tăng lên đến một giới hạn bằng cách thay đổi chu kỳ làm việc.
Khi SCR được bật, dòng điện cảm ứng tăng tuyến tính và năng lượng được tích trữ trong cuộn cảm. Khi SCR được tắt, năng lượng tích trữ trong cuộn cảm “L” được truyền đến tụ điện thông qua điốt “D”, và sau đó tụ điện “C” được nạp điện. Điều này dẫn đến sự tăng điện áp tải. Điện áp đầu ra có thể được điều khiển bằng cách thay đổi chu kỳ Ton và Toff của công tắc.

2. Bộ băm xung giảm áp
Trong quá trình giảm điện áp, điện áp tải có thể nhỏ hơn hoặc bằng điện áp nguồn và dòng điện chảy từ nguồn DC đến tải.

Về cơ bản, SCR là một công tắc nối tiếp có thể mở và đóng ở tần số cao để tạo ra xung vuông trên tải. SCR được sử dụng trong mạch hoạt động như một công tắc; điốt mắc song song với tải cung cấp đường dẫn cho dòng điện cảm ứng của tải khi SCR mở.
Khi SCR không dẫn điện, điện áp trên tải bằng không. Khi SCR mở, điện áp tải là V0 = Vdc, và dòng điện tải tăng theo cấp số mũ.

Ứng dụng của bộ băm xung:
- Bộ điều khiển tốc độ cho động cơ DC
- Điều khiển động cơ mô-men xoắn DC không chổi than hoặc động cơ bước trong bộ truyền động.
- Tiết kiệm năng lượng mặt trời và năng lượng gió.
- Mạch chuyển mạch được sử dụng làm nguồn điện trong máy tính và các thiết bị điện tử.
- Phá hủy phục hồi
Câu hỏi thường gặp (FAQ)
1. Làm thế nào để điều khiển điện áp đầu ra trong máy hủy tài liệu?
Điện áp đầu ra có thể được điều khiển theo ba cách sau:
- Duy trì giá trị Ton không đổi; thay đổi giá trị Toff.
- Giữ giá trị Toff không đổi; thay đổi giá trị Ton.
- Tỷ lệ Ton/Toff khác nhau.
2. Mục đích của điốt tự do được sử dụng trong mạch chuyển mạch là gì?
Thông thường, tải được kết nối với một công tắc cảm ứng, vì vậy một điốt tự do được kết nối song song với tải để duy trì dòng điện khi thyristor đóng.
3. Mục đích chính của máy hủy tài liệu là gì?
Máy băm là một thiết bị chuyển đổi điện áp DC không đổi thành điện áp DC thay đổi. Nó hoạt động như một công tắc điện tử được sử dụng để điều khiển nguồn và xử lý tín hiệu.
4. Chu kỳ làm việc của máy hủy tài liệu là gì?
Được tính toán từ tỷ lệ giữa thời gian công tắc bật và giá trị Ton + Toff, điện áp đầu ra có thể thay đổi bằng cách điều chỉnh chu kỳ làm việc.
α = Ton / Ton = Toff
