Ứng dụng của MUX
Nắm vững sức mạnh của Multiplexers và cách chúng cách mạng hóa truyền thông hiện đại!
Trong bài viết này, chúng ta sẽ xem xét các ứng dụng khác nhau của MUX, chúng ta sẽ bắt đầu bài viết của mình với phần giới thiệu mux, sau đó chúng ta sẽ thấy nó hoạt động và sau đó, chúng ta sẽ xem qua các ứng dụng khác nhau của nó, Cuối cùng, chúng tôi sẽ kết thúc bài viết của mình với một số câu hỏi thường gặp.
MUX là gì?
MUX còn được gọi là bộ ghép kênh là một mạch kết hợp chỉ tạo ra một đầu ra khi 2 n đầu vào được cung cấp cho nó. Nó còn được gọi là nhiều đến một mạch vì nó chọn một đầu ra từ 2 n đầu vào với sự trợ giúp của n dòng lựa chọn. Bộ ghép kênh được biểu thị dưới dạng 2 n : 1 MUX.
Biểu tượng MUX
MUX nhận 2n đầu vào và cho 1 đầu ra bằng cách sử dụng n số dòng lựa chọn. Dưới đây là ký hiệu logic cho 2 n : 1 MUX.

Bảng sự thật cho MUX
Bảng dưới đây đại diện cho MUX 4: 1 với các phương trình của nó

Sơ đồ logic
Sơ đồ logic của MUX có thể được đưa ra như

Ứng dụng của MUX
MUX tức là bộ ghép kênh có nhiều ứng dụng trong các lĩnh vực khác nhau. Một số ứng dụng này được liệt kê dưới đây.
- Triển khai mạch kỹ thuật số
- Bộ điều khiển của CPU
- Chuyển đổi dữ liệu song song với nối tiếp
- Bộ nhớ máy tính
- Định tuyến dữ liệu
- Hệ thống thông tin liên lạc
Triển khai mạch kỹ thuật số
MUX được sử dụng để triển khai các mạch kỹ thuật số khác nhau như bộ cộng, bộ trừ, cổng logic, v.v. Chúng tôi có thể xây dựng bất kỳ mạch kỹ thuật số nào bằng MUX. MUX có thể triển khai các mạch kỹ thuật số khác nhau như các cổng logic khác nhau, mạch kết hợp như cộng đầy đủ, cộng một nửa, trừ đầy đủ, cộng đầy đủ, v.v. Nó hoạt động như một mạch vạn năng có thể thực hiện tất cả các mạch kỹ thuật số khác. Sơ đồ dưới đây thể hiện việc triển khai cổng AND bằng cách sử dụng MUX cho đầu ra Y = AB.

Đơn vị điều khiển
Bộ điều khiển sử dụng lựa chọn MUX trong bộ sắp xếp thứ tự và máy phát điện. MUX chọn các cách mà địa chỉ tiếp theo có thể được tạo ra để lấy địa chỉ của microinstruction tiếp theo. Sơ đồ dưới đây thể hiện các ứng dụng của MUX trong thiết bị điều khiển.

Chuyển đổi dữ liệu song song với nối tiếp
MUX chuyển đổi truyền dữ liệu song song sang truyền dữ liệu nối tiếp. Nó chọn đầu vào song song và chuyển nó chuyển đổi dữ liệu song song thành dữ liệu nối tiếp. Sơ đồ dưới đây thể hiện ứng dụng của MUX song song với bộ chuyển đổi dữ liệu nối tiếp.

Định tuyến dữ liệu
MUX được sử dụng trong định tuyến dữ liệu để chọn một đường dẫn trong số các đường dẫn khác nhau. MUX chọn một đường dẫn trong số các đường dẫn định tuyến dữ liệu mà dữ liệu có thể được truyền qua đó để dữ liệu có thể đến đích mong muốn. Sơ đồ dưới đây thể hiện ứng dụng của MUX trong định tuyến dữ liệu.

Hệ thống viễn thông
Trong các hệ thống truyền thông, MUX được sử dụng để chuyển đổi nhiều tín hiệu thành một tín hiệu và sau đó truyền qua kênh truyền. MUX chọn một tín hiệu và chuyển nó đến kênh truyền. Trong hệ thống viễn thông, MUX được sử dụng ở phía người gửi để gửi nhiều dữ liệu bằng cách sử dụng một đường dây và các liên kết có băng thông ít hơn. Sơ đồ dưới đây thể hiện ứng dụng của MUX trong các hệ thống thông tin liên lạc.

Hệ thống điều khiển
Trong hệ thống điều khiển, bộ ghép kênh chọn một đầu ra từ số lượng đầu vào. Các bộ ghép kênh được sử dụng trong hệ thống điều khiển để định tuyến tín hiệu, hợp nhất dữ liệu, để cung cấp tính linh hoạt và cải thiện không gian và hiệu quả chi phí. Định tuyến tín hiệu sử dụng MUX để hướng nhiều tín hiệu từ nhiều nguồn đến một điểm đến cụ thể. Nó được sử dụng khi chỉ một thiết bị điều khiển tín hiệu phải nhận dạng nhiều cảm biến. MUX giúp hệ thống điều khiển xử lý dữ liệu dễ dàng hơn. Nó làm giảm số lượng dây cần thiết cho nhiều đầu vào, giúp hệ thống điều khiển tiết kiệm chi phí và không gian. MUX cung cấp sự linh hoạt trong thiết kế hệ thống điều khiển và cung cấp các thay đổi dễ dàng trong mạch.
Ưu điểm và nhược điểm của MUX
MUX có một số ưu điểm và nhược điểm. Một số ưu điểm và nhược điểm của MUX được liệt kê dưới đây.
Ưu điểm của MUX
Một số ưu điểm của MUX là:
- MUX là mạch rẻ hơn và có thể được sử dụng để thực hiện các mạch khác.
- MUX là mạch linh hoạt có thể dễ dàng thực hiện.
Nhược điểm của MUX
Một số nhược điểm của MUX là:
- MUX thêm một số độ trễ trong mạch.
- Nguồn dữ liệu bị giới hạn trong MUX.
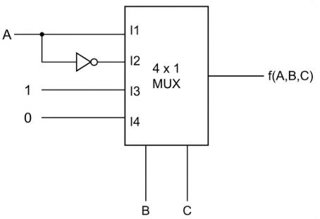
Ví dụ về MUX
Tìm đầu ra của MUX đã cho.

Bảng cho MUX nhất định

f(A, B, C) = AB'C' + A' B'C + BC'
Cần bao nhiêu MUX 2:1 để triển khai MUX 8:1?

Tổng số mux 2:1 cần thiết để triển khai 4:1 MUX = 4 + 2 + 1
Tổng số mux 2:1 cần thiết để triển khai MUX 4:1 = 7
Kết luận
Trong bài viết này, chúng tôi đã xem qua các ứng dụng của MUX, chúng tôi đã bắt đầu bài viết của mình với phần giới thiệu và xem bảng sự thật và sơ đồ logic của nó với phương trình của nó, cuối cùng chúng tôi có thể kết luận rằng MUX có các ứng dụng của nó trong các lĩnh vực khác nhau như máy tính, hệ thống truyền thông, định tuyến dữ liệu và nhiều hơn nữa.
