Triển khai Cổng XNOR từ Cổng AOI
Đơn giản hóa sơ đồ của bạn bằng cách thành thạo việc triển khai cổng XNOR thông qua kiến trúc cổng AOI cơ bản.
Điện tử kỹ thuật số xoay quanh việc lưu trữ dữ liệu ở các bit 1 và 0. Điện tử kỹ thuật số không chỉ là một cách lưu trữ dữ liệu hiệu quả mà còn giúp mã hóa và bảo mật dữ liệu của chúng ta dễ dàng hơn. Thật tuyệt vời khi chúng ta có thể sử dụng các cổng logic khác nhau để thực hiện một số hàm và biểu diễn các phương trình này.
Trong bài viết này, chúng ta sẽ xem cách chúng ta có thể biểu diễn cổng XNOR bằng cách sử dụng cổng AOI (AND, OR, NOT). Đầu tiên, chúng tôi sẽ hiểu riêng các cổng này và sau đó chúng tôi sẽ thực hiện chúng.
Cổng XNOR là gì?
Cổng XNOR là cổng viết tắt của sự kết hợp của Cổng "Độc quyền-HOẶC" và "KHÔNG". Nó cung cấp một đầu vào khi được nạp với hai hoặc nhiều hơn hai đầu vào. Điều quan trọng cần lưu ý là đầu ra của cổng XNOR tương tự như cổng "NOR".
Nó trở nên thấp khi bất kỳ đầu vào nào là "1" và nó chỉ trở nên cao khi cả hai đầu vào giống nhau ('0' hoặc '1'). Do đó, nó hoạt động theo cách mà nó chỉ cao khi một trong hai đầu vào của nó là "1" nhưng không phải tất cả đều là "1".
Bảng sự thật của XNOR Gate
Dưới đây là một bảng sự thật giúp chúng tôi phân tích đầu ra của XNOR cho các A và B khác nhau được cung cấp cho nó
Chúng ta hãy xem cổng XNOR cho hai đầu vào:

Biểu thức cho cổng XNOR được đưa ra dưới đây:
đầu ra, Y = (A ⊕ B)'
Trong đó ⊕ và ' đại diện cho cổng XNOR
Cổng AND là gì?
Cổng AND là một cổng cơ bản thường được gọi là cổng tất cả hoặc không có gì. Nó cung cấp một đầu vào khi được nạp với hai hoặc nhiều hơn hai đầu vào.
Điều quan trọng cần lưu ý là đầu ra của cổng AND trở nên thấp ngay cả khi bất kỳ đầu vào nào ở mức thấp và nó trở nên khác. Do đó, nó hoạt động theo cách mà nó chỉ cao khi tất cả các đầu vào của nó đều cao hoặc '1'.
Bảng sự thật của AND Gate
Ở đây, chúng tôi đã vẽ một bảng Sự thật giúp chúng tôi phân tích đầu ra của AND cho các A và B khác nhau được cung cấp cho nó.
Hãy để chúng tôi xem cổng AND cho hai đầu vào:

Biểu thức cho cổng AND được đưa ra dưới đây:
đầu ra, Y = AB
trong đó, . đại diện cho cổng AND
Cổng OR là gì?
Cổng OR là một cổng cơ bản thực hiện phân tách logic. Nó cung cấp một đầu vào khi được nạp với hai hoặc nhiều hơn hai đầu vào.
Điều quan trọng cần lưu ý là đầu ra của cổng OR chỉ trở nên thấp nếu tất cả các đầu vào đều thấp và nó cao. Do đó, nó hoạt động theo cách mà nó cao ngay cả khi một trong hai đầu vào của nó cao hoặc '1'. Nó hoạt động giống như hai công tắc song song, nghĩa là khi một trong hai công tắc bật, đèn sáng.
Bảng sự thật của cổng OR
Ở đây, chúng tôi đã vẽ một bảng Sự thật giúp chúng tôi phân tích đầu ra của OR cho các A và B khác nhau được nạp vào nó
Hãy để chúng tôi xem cổng OR cho hai đầu vào:

Biểu thức cho cổng XOR được đưa ra dưới đây:
đầu ra, Y = A + B
trong đó, + là cổng OR
Cổng NOT là gì?
Cổng NOT là một cổng cơ bản thực hiện bổ sung logic. Nó cung cấp một đầu vào khi được nạp một hoặc nhiều đầu vào.
Điều quan trọng cần lưu ý là đầu ra của cổng NOT trở nên thấp khi đầu vào cao và cao khi đầu vào thấp. Do đó, nó hoạt động như một bộ biến tần và cho '1'. khi đầu vào là '0' và ngược lại.
Bảng sự thật của NOT Gate
Ở đây, Chúng tôi đã vẽ một bảng Sự thật giúp chúng tôi phân tích kết quả đầu ra của NOT cho các nguồn cung cấp khác nhau cho nó
Hãy để chúng tôi xem cổng NOT cho một đầu vào:

Biểu thức cho cổng NOT được đưa ra dưới đây:
đầu ra, Y = A '
trong đó ' đại diện cho cổng KHÔNG
Triển khai cổng XNOR từ cổng AOI (AND, OR, NOT)
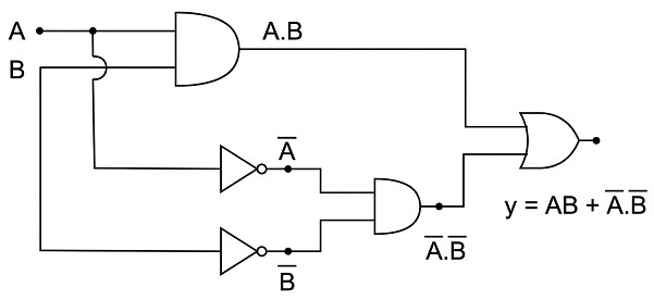
Dựa trên kiến thức của chúng tôi về các cổng logic, chúng tôi có thể nói rằng nó sẽ yêu cầu tối thiểu 2 cổng AND, 2 NOT và 1 OR sẽ thực hiện logic XNOR. Điều này có nghĩa là nhiều hơn số lượng cổng nhất định cũng có thể thực hiện logic XNOR.
Hãy để chúng tôi xem cách triển khai bên dưới.

Cổng AND ngoài cùng bên trái được cung cấp hai đầu vào, đầu ra sẽ là
Y1= (AB)
Đầu vào được đưa vào phía trên NOT là A, do đó đầu ra sẽ là
Y2= (A)'
Đầu vào được cấp cho NOT thấp hơn là B, do đó đầu ra sẽ là
Y3= (B)'
Đầu ra của hai cổng NOT này, tức là Y3 và Y2 sẽ là đầu vào của cổng AND thứ hai. Do đó, đầu ra của cổng AND thứ 2 là
Y4= (Y2. Y3)' Y4= (A'. B')
Cổng OR cuối cùng sẽ được nạp với Y4 và Y1 làm đầu vào. Do đó, kết quả cuối cùng sẽ là
Y5= Y4 + Y1 Y5= (A'B'+ BA) Y5= (A ⊕ B )'
Chúng ta thấy rằng đầu ra cuối cùng đại diện cho logic XNOR. Vì đầu ra cuối cùng là đầu ra của cổng XNOR có nghĩa là việc chúng tôi nhận ra mạch là chính xác và chúng tôi xây dựng mạch chính xác.
Kết luận
Ở đây chúng ta đã thấy cách chúng ta có thể sử dụng các cổng cơ bản được gọi là 'AOI', tức là cổng AND, OR, NOT để thực hiện cổng 'XNOR'. Điều này rất quan trọng vì nó giúp chúng ta phân tích hoạt động đằng sau các cổng cơ bản và chúng ta có thể hiểu cách chúng ta có thể triển khai nó bằng cách sử dụng các cổng khác. Đây là cách triển khai cấp độ cơ bản của các cổng và có thể có nhiều thực hiện phức tạp hơn bằng cách sử dụng các cổng cơ bản khác. Độc giả nên xem qua tất cả các nhận thức khác để hiểu chức năng cơ bản đằng sau các cổng quan trọng khác. Một số câu hỏi thường gặp đã được trả lời bao gồm một số khái niệm cơ bản khác. Độc giả cũng có thể tham khảo những câu hỏi này.

